Принцип работы металлоискателя сводится к тому, что при приближении металлического предмета к катушке индуктивности генератора- основного узла прибора- частота генератора изменяется. Чем ближе предмет и чем он больше, тем сильнее его влияние на частоту генератора.
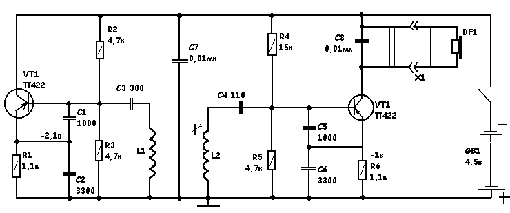
А теперь рассмотрим конструкцию металлоискатемя собранного на двух транзисторах. Генератор выполнен на транзисторе VT1 по схеме емкостей трехточки. Генерация образуется из-за положительной обратной связи между эмиттерной и базовой цепями транзистора. Частота генератора зависит от емкости конденсаторов С1-С3 и индуктивности катушки L1. При приближении катушки к металлическому предмету индуктивность ее изменяется- увеличивается, если металл ферромагнитный, например железо, и уменьшается, если металл цветной- медь, латунь.
Но как проследить за изменением частоты? Для этого служит приемник, собранный на втором транзисторе. Это тоже генератор, собранный, как и первый, по схеме емкостной трехточки. Частота его зависит от емкости конденсаторов С4-С6 и индуктивности катушки L2 и не намного отличается от частоты первого генератора. Нужную разность частот подбирают подстроечником катушки. Кроме того, каскад на транзисторе VT2 совмещает в себе и функцию детектора, выделяющего колебания низкой частоты поступающих на базу транзистора высокочастотных колебаний. Нагрузкой детектора являются головные телефоны BF1; конденсатор С1 шунтирует нагрузку для колебаний высокой частоты.
Колебательный контур приемника индуктивно связан с контуром генератора, поэтому в коллекторной цепи транзистора VT2 протекают токи частотой обоих генераторов, а также ток разностной частоты, иначе говоря, частоты биения. Если, к примеру, частота основного генератора 460 кГц, а частота генератора приемника 459 кГц, то разностная составит 1кГц, т. е. 1000Гц. Этот сигнал и слышен в телефонах. Но стоит приблизить поисковую катушку L1 к металлу, как частота звука в телефонах изменится- в зависимости от вида металла она или понизится, или станет выше. |
Вместо указанных на схеме подойдут П401, П402 и другие высокочастотные транзисторы. Головные телефоны- высокоомные ТОН-1 или ТОН-2, но их капсюли нужно включать параллельно, чтобы общее сопротивление составило 800...1200 Ом. Громкость звука в этом случае будет несколько выше. Резисторы- МЛТ-0,25, конденсаторы- КЛС-1 или БМ-2.
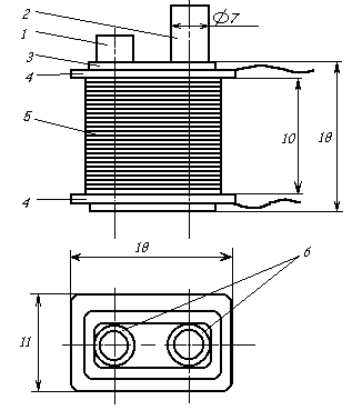
Катушка L1 представляет собой прямоугольную рамку размерами 175х230 мм, состоящую из 32 витков провода ПЭВ-2 0.35 (подойдет провод ПЭЛШО 0.37). Конструкция катушки L2 показана на рисунке. В двух бумажных цилиндрических каркасах 6 размещены отрезки стержня диаметром 7 мм из феррита 400НН или 600НН: один (1) длинной 20...22мм, закрепленный постоянно, другой (2)-35...40мм (подвижный- для подстройки катушки). Каркасы обернуты бумажной лентой 3, поверх которой намотана катушка L2 (5)-55 витков провода ПЭЛШО (можно ПЭВ-1 или ПЭВ-2) диаметром 0,2мм. Выводы катушки закреплены резиновыми колечками 4.
Источники питания- батарея 3336, ваключатель SA1- тумблер, разъем Х1- двухгнездая колодка.
Транзисторы, конденсаторы и резисторы смонтированы на плате (рис.) из изоляционного материала. Плату соединяют с катушками, батареей питания, выключателем и разъемом, многожильным проводом в изоляции. Плату и остальные детали размещают в фанерном клееном футляре размерами 40х200х350 мм. Катушку L1 прикрепляют ко дну футляра, а внутри катушки на расстоянии 5...7 мм от ее витков размещают катушку L2. Рядом с этой катушкой крепят плату. Разъем и выключатель прикрепляют снаружи к боковой стенке футляра. Сверху к футляру крепят (желательно на клею) деревянну ручку примерно метровой длинны. |
Налаживание металлоискателя начинают с измерения режимов работы транзисторов. Включив питание, измерябт напряжение на эмиттере первого транзистора (относительно общего провода- плюса питания)- оно должно бать 2,1в. Точнее это напряжение можно подобрать резистором R2. Затем измеряют напряжение на эмиттере второго транзистора - оно должно быть 1 в (устанавливают точнее подбором резистора R4). После этого медленным перемещением подстроечного сердечника катушки L2 добиваются появления в головных телефонах громкого чистого звука низкой частоты.
Приближая к поисковой катушке консервную банку, фиксируют начало изменения тона звучания. Как правило, это происходит на расстоянии 30...40 см. Более точной подстройкой частоты второго генератора добиваются наибольшей чувствительности прибора. |