|
Описываемая здесь система инфракрасного управления обладает повышенной помехоустойчивостью, что достигнуто многократной передачей команд. При этом дешифратор выдает сигнал о приеме соответствующей команды лишь в том случае, когда по крайне мере в двух из трех подряд принятых команд содержится одна и та же информация. Передатчик.
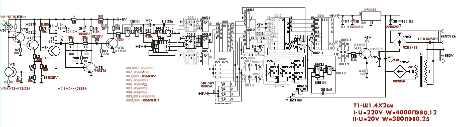
Приёмник.Приемник (рис.3) собран по классической схеме принятой в российской промышленности (в частности в телевизорах Рубин, Темп и т.п.). Импульсы ИК-излучения попадают на ИК фотодиод VD1 , преобразуются в электрические сигналы и усиливаются транзисторами VT3, VT4, которые включены по схеме с общем эмиттером. На транзисторе VT2 собран эмиттерный повторитель, согласующий сопротивление динамической нагрузки фотодиода VD1 и транзистора VT1 с входным сопротивлением усилительного каскада на транзисторе VT3. Диоды VD2,VD3 предохраняют импульсный усилитель на транзисторе VT4 от перегрузок. Все входные усилительные каскады приемника охвачены глубокой обратной связью по току. Это обеспечивает постоянное положение рабочей точки транзисторов независимо от внешнего уровня засветки - своего рода автоматическую регулировку усиления. Особенно важную при работе приемника в помещениях с искусственным освежением или на улице при ярком дневном свете, когда уровень посторонних ИК-излучений очень высок. Далее сигнал проходит через активный фильтр с двойным Т-образным мостом, собранный на транзисторе VT5, резисторах R12-R14 и конденсаторах C7-C9. Он очищает сигнал кодовой посылки от помех сети переменного тока, которые излучаются электрическими лампами. Лампы создают модулированный поток излучения с частотой 100 Гц. и не только видимой части спектра, но и в ИК области. Отфильтрованный сигнал кодовой посылки формируется на транзисторе VT6 . Несущая частота уже не нужна и подавляется с помощью простейшего RS - фильтра на R18, C14. В результате получается сигнал, полностью идентичный тому, что снимался с выхода шифратора команд. Пачки входных импульсов отрицательной полярности поступают на формирователь, собранный на элементах R1, C1, DD1.1. Такой формирователь обладает свойствами интегрирующей цепочки и триггера Шмита. На его выходе импульсы имеют крутые фронты независимо от крутизны фронтов на входе. Кроме того, он подавляет импульсные помехи малой длительности. С выхода элемента DD1.1 импульсы поступают на детектор паузы. Он собран на элементах R20, C13, VD4, DD1.2. Так же, как и DD1.1, DD1.3, элемент Исключающее ИЛИ" DD1.2 работает как усилитель - повторитель сигнала, поскольку один из его входов соединен с общим проводом. Детектор паузы работает следующим обвозом. Первый отрицательный импульс пачки, проходя через диод VD4 на вход элемента DD1.2, переключает его в состояние 0. В паузе между соседними импульсами происходит постепенный заряд конденсатора C13 током, текущем через резистор R20, напряжение на входе DD1.2 при этом, однако, не доходит до порога переключения этого элемента. Каждый последующий импульс через диод VD4 быстро разрежает конденсатор C2, поэтому во время действия пачки на выходе DD1.2 будет логическая 0. В паузе между пачками напряжение на входе 5 DD1.2 достигает порога переключения, этот элемент переключается лавинообразно за счет положительной обратной связи через конденсатор C13 в состояние 1. В результате в паузе между пачками на выходе 10 элемента DD1.2 формируется положительный импульс (четвертая диаграмма рис.4), сбрасывающий счетчик на микросхеме DD2 в 0. Импульсы с выхода формирователя DD1.1 поступаю также на счетный выход CN счетчика DD2, в результате чего после окончания пачки счетчик устанавливается в состояния, соответствующие числу импульсов в пачке (а значит номеру команды). В качестве примера на рис. 4 показана работа счетчика при приеме пачки из пяти импульсов. Фронтом импульса с детектора пауз данные из счетчика переписываются в сдвигающие регистры DD3.1, DD3.2, DD4,1, в результат чего на их выводах 1 появляется соответственно логическая 1, 0, 1. После окончания второй пачки из пяти импульсов, импульс с выхода детектора пауз сдвигает ранее записанную информацию из разрядов 1 сдвигающих регистров в разряды 2, в разряды 1 записывает результат подсчета числа импульсов очередной пачки и т.д. В результате при непрерывном приеме пачек из пяти импульсов на всех выводах сдвигающих регистров DD3.1, DD3.2, DD4.1 будут логическая 1, 0, 1 соответственно. Эти сигналы поступают на входы мажорных клапанов микросхемы DD5, на их выводах появляются сигналы, соответствующие входным, он поступают на входы дешифратора DD6. На выходе 5 дешифратора появляется логическая 1, которая и является признаком приема данной команды с числом импульсов равным пяти. Так происходит при приеме команд без помех. Если же уровень помех силен, число импульсов в пачке может отличатся от необходимого. В этом случаи сигналы на выходе сдвиговых регистров будут отличатся от правильных. И мажорные клапаны проигнорируют неправильный сигнал. Таким обвозом, если в последовательности пачек импульсов, поступающих на вход дешифратора команд, в любых трех подряд идущих пачек две имеют правильное число импульсов, на нужном выходе микросхемы DD6 будет постоянно поддерживаться логическая 1. Если не нажата ни одна из кнопок передатчика или передатчик вообще не включен или нет сигнала приема, на выводах 1-2-4 счетчика DD2 после окончания пачки из восьми импульсов будет логический 0 и на всех используемых выводах дешифратора DD6 также логический 0. Далее сигналы с дешифратора, команды, поступают на регулятор яркости собранный на элементах DD7-DD13, R21-R30, VD5, VS1, C14-16, VT7. В частности используются команды 1, 3, 5, 7 соответственно "вкл.", "выкл.", "больше", "меньше". Для одновременного управления с пульта дистанционного управления и с самого регулятора. Сигналы с дешифратора и с кнопок управления, установлены логические элементы 2ИЛИ-НЕ (DD12) и 4ИЛИ-НЕ (DD8). Первые установлены на плавную регулировку, вторые на включение и выключение к которым подходят еще, ограничители сета счетчика DD10) и сбросовый узел. Узел плавной регулировки включает в себя буферные инверторы DD12.1 DD12.2, генератор скорости регулировки (DD9.1, DD9.2) и ключи (DD9.3,DD9.4). Регулятор яркости работает следующим обвозом, сигналы команды "больше", "меньше" поступают на электронные ключи, в следствии чего на их выводах появляются импульсы регулировки на выходе элемента DD9.3 при команде "боле", а на выходе элемента DD9.4 при команде "больше". Эти сигналы поступают на выводы +1 и -1 счетчика DD10, на этот счетчик поступают и сигналы "вкл.", "выкл.", соответственно на вход RE (параллельной записи, а входы параллельной записи соединены с "+", что означает на них установлена 15) и вход R. Буферные элементы DD12.3, DD12.4, DD12.5 служат для согласования цепей входов и выходов. Сигналы берущиеся с выходов 15 и 0 служат для остановки учетчика при достижении 15 и 0, т.е. состояния "вкл." и "выкл.". В регуляторе использован импульсный метод регулирования коммутирующим элементом - теристором. Время фазового регулирования определяет число разрядов в счетчике узла управления и период сетевого напряжения. Данные с счетчика DD10 поступают в виде цифрового кода на вход параллельной записи счетчика DD11. Фазовая информация, необходимая для работы, поступает от выпрямителя питания всей схемы. Синусуйдальное напряжение от понижающего трансформатора T1 выпрямляется двуполупериудным выпрямительным диодным мостом VDS2 и поступает на переменный резистор R27, и следом на вход буферного усилителя DD1.3. При положительной полуволне на входе логического элемента DD1.3 будет высокий уровень сигнала, при переходе через ноль - низкий, а при отрицательной - высокий. В результате на выходе элемента будут короткие отрицательные импульсы с частотой 100 Гц. Синхроимпульсы поступают одновременно на вход разрешение записи PE счетчика DD1.1, на один из выходов RS - триггера, собранного на элементах DD13.3, DD13.4 , и на управляющий вход генератора импульсов (на один из входов элемента DD13.1 ). Когда на вход PE счетчика DD2 приходит напряжение низкого уровня, то код, зафиксированный ранее по параллельным входам D1-D4 счетчика, загружает в него независимо от сигналов на тактовых входах, т.е. операция параллельной загрузки асинхронна. В исходном положении на выходе 15 счетчика высокий уровень. Если счет достиг максимума, то с приходом следующего отрицательного тактового перепада на вход +1 счетчика на его выходе появится уровень 0. Таким обозом, на вход RS - триггера DD13.3, DD13.4 поступают импульсы низкого уровня: синхроимпульс с логического элемента DD1.3 и выходной импульс счетчика DD11, смещенный по отношению к синхроимпульсу на время, определяемое цифровым кодом на параллельных входах D1-D4 счетчика. На выходе RS - триггера появляется сигнал высокого уровня, который поступает на эмиттерный повторитель, он и управляет теристором. Питание всей схемы осуществляется с помощью стабилезаторной микросхемы DA1.
Литература:
|
Инфракрасная система управления светом
Doc
Просмотров: 4429
