Аэроионизатор без трансформаторов

Вот уже несколько часов кряду вы готовитесь к очередному зачету, а усталости как не бывало. Будто и не за письменным столом провели все это время, а на лесной поляне, на берегу реки или в горах.

Причиной всему "Волга" - настольный ионизатор воздуха, создающий в комнате особый микроклимат. Он-то и способствует повышению производительности труда, улучшению самочувствия; Вот как это происходит.

Воздух, которым мы дышим, содержит заряженные частицы - аэроионы. Аэроионы - это атомы или молекулы газов воздуха, потерявшие или получившие электроны.

Исследования, проведенные учеными-медиками, показали, что скопление в воздухе положительных аэроионов, то есть атомов или молекул, утративших электроны, вызывает напряженные ощущения, раздражение слизистых оболочек дыхательных путей, головокружение, снижение способности концентрировать внимание.

Незначительное преобладание легких отрицательных аэроионов действует на организм человека благоприятно: облегчается дыхание, стимулируются биологические процессы в организме, нормализуется кровяное давление, улучшается настроение. Причем решающую роль здесь играет не количество ионов, а соотношение между отрицательно и положительно заряженными частицами.

Вот такой микроклимат и создает настольный ионизатор воздуха "Волга". Изготовили его в лаборатории кибернетики и бионики Горьковской облСЮТ школьники А. Доронин, В. Чмиль и А. Щальнов.

 

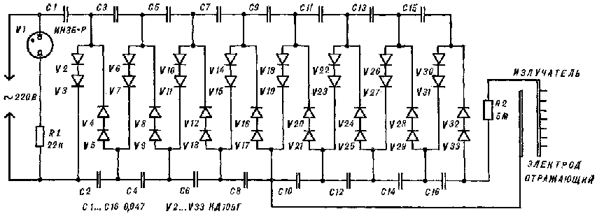
Принципиальная схема прибора.

Принципиальная схема прибора.

 

Создаваемые прибором аэроионы нейтрализуют значительную часть положительных ионов в окружающем пространстве.

По рекомендации врача ионизатор "Волга" можно использовать для профилактических и лечебных целей. Концентрация отрицательных аэроионов на расстоянии 0,5 м от излучателя составляет около 2*105 электрических зарядов в 1 см3.

Прибор питается от сети переменного тока напряжением 220 В, потребляемая мощность 0,5 Вт.
Устройство работает в диапазоне температур 5 -:- 40 град. С при относительной влажности воздуха 80%.
Масса прибора 0,4 кг.

Ионизатор представляет собой высоковольтный выпрямитель, собранный по схеме умножения, к отрицательному полюсу которого подключен излучатель (рис.). С его игл под действием высокого напряжения "стекают" электроны и, взаимодействуя с молекулами кислорода, образуют отрицательные аэроионы. Их отталкивает отражательный электрод, и они с большой скоростью вылетают из щели.

Величина отрицательного напряжения на излучателе составляет около 4 кВ, а на отражательном электроде - 1,5кВ.

Ионизатор воздуха "Волга" выполнен в виде письменного прибора со встроенным термометром. Освещающая его контрольная лампа сигнализирует о включении ионизатора в сеть. Сверху корпуса установлен излучатель, который можно поворачивать на нужный угол.

Если щель излучателя запылится, ее надо осторожно почистить кисточкой. Но делают это только при выключенном приборе.

Ионизатор сравнительно недорог и прост в эксплуатации. При его работе не образуются озон и окислы азота.

В схеме прибора диоды КД105Г можно заменить на Д7Ж, Д226 или КД105.

Резисторы-МТЕ-0,125, конденсаторы КМ-4а-Н30 рассчитаны на напряжение 600 В.

Обсудить эту статью на форуме (0 ответов).
Вся информация, предоставленная на данном ресурсе разрешена к ознакомлению детям школьного возраста. Все практическое использование может быть связана с повышенной электрической опасностью и разрешено детям только под присмотром взрослых.