Элэктронное "УХО"

Предлагаемая схема предназначена для прослушивания разговоров в помещениях на небольшом расстоянии. Чувствительности микрофона хватает для уверенного восприятия слабого звука (шепот, тихий разговор) на расстоянии 3...4 м от микрофона. Дальность действия устройства — около 50 м (при длине антенны передатчика 30...50 см). Схему передатчика желательно уменьшить до минимальных размеров (чтобы его не было видно). При использовании устройств ва на небольших расстояниях (до 15 м) питание можно снизить до 1,5...3 В. Питать передатчик желательно от малогабаритных элементов. Ток потребления устройства составляет 3...4 мА.

 рис.1
рис.1

Рабочая частота передатчика — 66... 74 МГц. Катушка LI — содержит 6 витков провода ПЭВ-2 0,5 мм и намотана на каркасе диаметром 4 мм с шагом намотки 1...1,5 мм. Частота генератора на VT2 изменяется сдвиганием (раздвиганием) витков катушки L1.

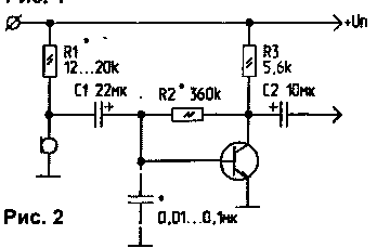
 рис.2

Сначала о настройке. Номиналы конденсаторов С1 и С2 следует подбирать в пределах 4,7...33 мкФ до получения наилучшего качества сигнала и максимальных чувствительности и девиации частоты. Резисторы R1 и R2 следует подбирать в пределах 330...420 кОм и 4,7...9,1 кОм соответственно для получения наилучшего качества. Транзистор VT1 следует выбирать с наибольшим коэффициентом усиления по току. Вместо С4 после настройки можно включить постоянный конденсатор. Если увеличивать сопротивление резистора R3,будет увеличиваться девиация частоты, что ведет к увеличению чувствительности, но при этом уменьшается выходная мощность. Конденсатор С5 подбирается в пределах I. 3,3...8 пФ для нормального запуска ВЧ-генератора при изменении напряжения питания от 3 до 10 В.
А теперь о доработках. Если антенну подключить непосредственно к коллектору VT2, минуя С6, то увеличится мощность и дальность действия устройства. Если варикап КВ109 заменить на варикапную матрицу КВС111 (А...В), использовав из нее только один варикап, то немного увеличится качество модуляции.
Вместо микрофона МКЭ-3 (ВМ1) можно использовать двухконтактные микрофоны, например от импортных магнитофонов или телефонов, включив их по схеме рис.2.

 рис.3

П416 можно заменить на любой другой ВЧ-транзистор, но при этом, возможно, понадобится изменить (подобрать экспериментально) параметры катушки L1

Обсудить эту статью на форуме (0 ответов).
Вся информация, предоставленная на данном ресурсе разрешена к ознакомлению детям школьного возраста. Все практическое использование может быть связана с повышенной электрической опасностью и разрешено детям только под присмотром взрослых.