|
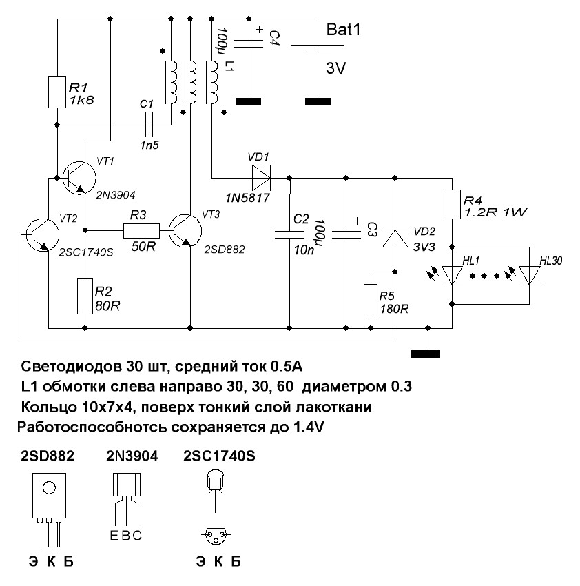
Продолжение разговора о преобразователях на основе блокинг-генератора. Основной недостаток схем питания светодиодов напрямую от батарейки – при снижении напряжения до 2.5 вольт светодиод светит заметно слабее, а то и вообще гаснет. Это решают предложенные ранее схемы (модуль для питания светодиода и схема ночника) и много других на просторах Интернета. Но у них есть тоже недостаток, - при свежей батарейке светодиод светит с повышенной яркостью и повышенным потреблением тока. При этом увеличенный ток потребления приводит к незначительному повышению уровня яркости, это определяется вольт-амперной характеристикой светодиода напоминающую характеристику стабилитрона. Однажды, когда светодиодный фонарик подох в неподходящий момент (а батарейки только недавно менял), решил переставить блок светодиодов в старый советский фонарик на две батарейки 373 (3 вольта). Конечно, просто переставить не пойдет, батарейки чуть сядут и фонарик погаснет. Решено поставить преобразователь, но одно дело 1-2 светодиода с током потребления 30-40мА, а другое дело 30 светодиодов с током до 600 мА. Большой ток не проблема, можно сделать. Но, при новой батарейке светодиоды потребляют ток более ампера и жутко греются, а главное – этот ток яркости не добавляет, т.е. расходуется впустую. Можно применить специализированные микросхемы (а есть ли они вообще на 600мА?), но у меня под рукой не было, а покупать не хотел, пока придет по почте и вообще, глубокое убеждение – радиолюбительство должно приносить доход, или не приносить убытков. Поэтому решил собрать на рассыпухе, которую покупать не надо. Основное требование простота и небольшие габариты, - нужно в фонарик вставить. На просторах Интернета ничего подобного не нашел, вроде что-то было когда-то в журнале «Радио», но искать за последние 10 лет не хотелось и не факт что там есть то, что мне нужно. Итак схема, по сути это тот же блокинг-генератор. VT3 – ключевой транзистор средней мощности, на небольшом радиаторе (10х10х2мм). Напряжение насыщения ключевого тр-ра 0.3 вольта, именно поэтому я его и выбирал. VT1 – просто усилитель, по идее можно применить транзистор дарлингтона и исключить VT1, но они были у меня либо очень здоровые, либо маленькие. VT2 – обеспечивает совместно с VD2 и R5 стабилизацию тока потребления. Как оно работает. При повышении напряжения на верхней обкладке С3 до 4 вольт открывается стабилитрон VD2 и ток течет через базу транзистора VT2, он открывается и шунтирует базу транзистора VT1, вследствие чего, VT1 и VT3 закрываются и напряжение на С3 уменьшается. Почему до 4 вольт? Потому что стабилитрон 3.3 вольта и падение эмиттер-база 0.7 вольт. Но на светодиодах падает 3 вольта, при большой яркости 3.2-3.3 вольта. Для этого и нужен резистор R4 мощностью около 0,5 вата (чтобы не грелся, реально 3 х 0.125 ). Ток 600 мА (30шт х 20мА) умноженный на 1.2 ом даст прибавку напряжения на С3 0.72 вольт. Т.е. то что и было нужно. Вроде гут. Но однако нет, на резисторе выделяется бесполезная мощность 0.5 вт. Если найти стабилитрон на 2.6 вольт можно резистор исключить, но я в природе таких не видел. Да и стабилизация оставляла желать лучшего, а также отсутствовала регулировка яркости. |
|
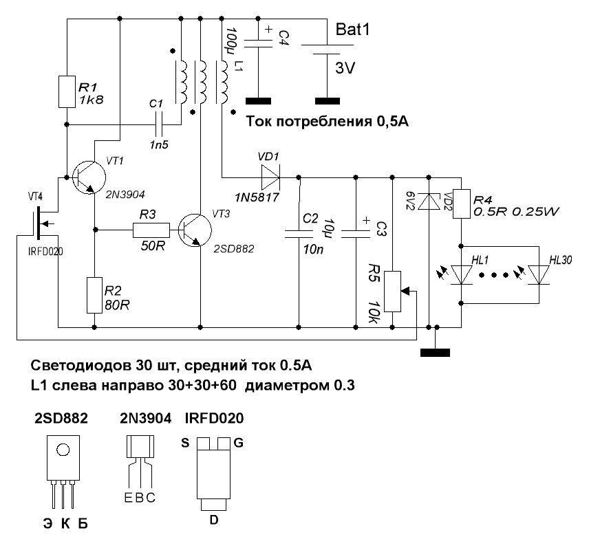
Поэтому, немного подумав, нарисовал немного более совершенную схему. Схема повторяет старую, за исключением полевого транзистора, подстроечного резистора и стабилитрона на 6 вольт. Полевой транзистор выбран с N-каналом с напряжением отсечки 2.5-3 вольт. Если напряжение на затворе, превысит это напряжение, полевик откроется (в открытом состоянии сопротивление единицы Ом) и зашунтирует VT1. Уровень срабатывания регулируется R5, им также можно устанавливать желаемую яркость светодиодов. R5 желательно 10 к или менее, при большом сопротивлении начинаются глюки с зарядкой емкости затвора и снижением яркости светодиодов. R4 уже имеет значительно меньшее сопротивление, хотя все работает и без него, и без R5. Просто с этим более плавно регулируется яркость и можно использовать полевик с более высоким напряжением отсечки. Функция стабилитрона на 6 вольт в том , что если отключить светодиоды, напряжение на затворе может превысить максимально допустимое и полевой транзистор можно выбросить в урну, а я их люблю, особенно IRFD020 и IRF9020, сам не знаю почему. Заменить можно любым N – канальным полевым с изолированным затвором и напряжение отсечки 2-3 вольта. Схема сохраняет довольно приличную яркость до 1.6 вольт. При 1.4 вольт светодиоды гаснут, так как на переходах база эмиттер транзисторов VT1 и VT3 падает 0.7+0.7=1.4 вольта. Если меньше, то они уже не могут открыться. Можно попробовать применить один транзистор с большим коэффициентом усиления, но не дарлингтон !!! – у него внутри два примерно по такой же схеме включено. Итог, светодиоды светят от трех вольт с очень приличной яркостью при токе 0.5-0.6 А, при снижении напряжения до 2.1-2.5 В ток потребления увеличивается до 0.7-0.9 А ( и это правильно так как напряжение упало а яркость осталась прежней, значит нужно увеличить потребляемый ток , собственно за это и боролись !!!) Работа мне понравилась, пока обе схемы проверялись на макетке. Но уже для второй схемы готова плата, осталось перенести все туда и сунуть в фонарик. |
Мощный преобразователь для фонарика 3V
smoker
Просмотров: 25367

