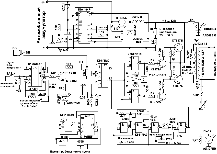
Суть метода такова: вместо обычных рамок в ульи устанавливаются специальные рамки, у которых на месте вощины располагается пластина из оконного стекла. По боковым сторонам деревянной рамки, на расстоянии 4 мм, не до конца набиваются маленькие гвозди, на которые закрепляют тонкую нихромовую проволоку. Монтаж ведётся в два провода, каждый из которых закрепляется на своих гвоздиках, чтобы рамка заполнилась параллельно натянутыми проводниками. Между двумя соседними проводниками не должно быть электрической цепи. На расстоянии 3 мм. от проводников закрепляется стеклянная пластина. От каждой рамки отходят два проводника, которые соединяют с проводниками соседней рамки и с выходом прибора для импульсного воздействия. Воздействие на пчёл производят рано утром, примерно в 4 часа утра и продолжают в течении одного часа. Пчёлы получают электрический удар напряжением примерно 60 В и частотой около 1 кГц, который длится около 1 сек, а затем следует пауза около 5 сек. Эти неутомимые труженики начинают жалить стекло и выпускают на него пчелиный яд, который быстро высыхает на стекле. Днём рамки вынимаются, снимается стеклянная пластина и лезвием бритвы соскабливается порошкообразный налёт, который собирается в специальную ёмкость. Ввиду очень большой токсичности яда, делают это чрезвычайно осторожно и защищая органы дыхания. Так как пасеки, обычно, располагаются далеко от жилья, питание электронного прибора осуществляют от автомобильного аккумулятора.