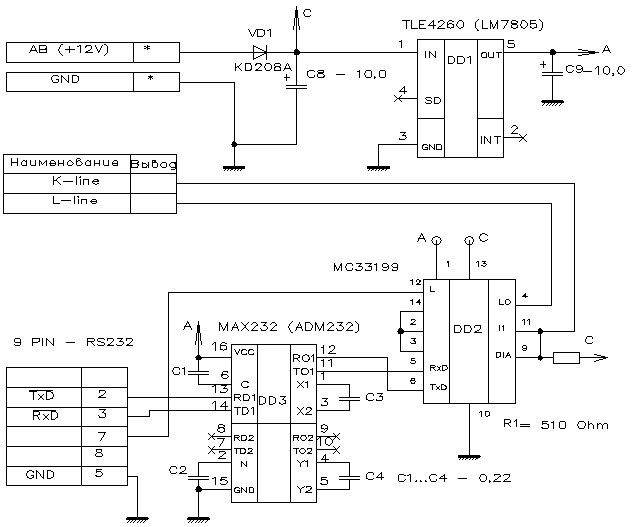
Для работы компьютерных программ диагностики необходимо собрать небольшую схему интерфейса K-Line. Вариантов такой схемы несколько. Для исключения вероятности плохой связи с блоком управления нами была собрана схема с использованием специализированной микросхемы MC33199D.
В схеме интерфейса была использована микросхема стабилизатора +5V 78L05.
Принципиальная схема адаптера предсатавлена на рис.1
Рис.1
Конструктивно адаптер размещен в корпусе разъема, к которому могут подключаться различные кабели, необходимые для диагностики конкретной марки автомобиля и использующие различные варианты питания. Такая конструкция позволяет в дальнейшем дополнять комплект диагностических кабелей.
Этот вариант адаптера k-line отличается от предыдущего (26.Адаптер k-line) тем, что может быть установлен в автомобиле и позволяет подключать к нему не только персональный компьютер или ноутбук (для подключения используется стандартный линковочный кабель или переходник DB9F-DB9F, с распайкой один-в-один, изменив положение джамперов на плате адаптера), но и Palm. Никакой переделки последнего для этого не требуется. В отличии от предыдущего варианта, на плате дополнительно установлен светодиод индикации питания.
Принципиальная схема адаптера предсатавлена на рис.2