Выходной каскад УЗЧ

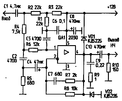
В последнее время в качестве выходных каскадов радиолюбительских аппаратов широко применяются интегральные усилители серии К174, Наиболее подходящими для этих целей я считаю использование микросхем К174УН 14 и К174УН 19 (аналоги - 2003 и 2030 соответственно).

Обычно микросхемы используются в типовом включении, хотя можно использовать их с большей пользой.

uz vix1 

Предлагаемый усилитель на микросхеме К174УН19 был изготовлен и испытан в трансиверном тракте RA3PEM "Роса", взамен редкостной в наше время К174УН4, представляющей собой мощный операционный усилитель. В усилитель введена ООС (цепочка R4, R6, С2, С5), в результате чего АЧХ усилителя имеет завал 12 дБ/октаву на частотах выше 2,7 кГц.

Аналогичным образом ОС можно ввести и в УНЧ на К174УН 14.

Вся информация, предоставленная на данном ресурсе разрешена к ознакомлению детям школьного возраста. Все практическое использование может быть связана с повышенной электрической опасностью и разрешено детям только под присмотром взрослых.