Стрелочные индикаторы наиболее просты. Для их изготовления требуется минимум деталей и квалификации, особенно, если использовать "фирменный" измерительный прибор с красивой шкалой. Впрочем, в наше время изготовление самодельной шкалы трудности не представляет - ее можно напечатать на принтере и наклеить поверх старой. В качестве основы проще всего использовать стрелочные индикаторы от магнитофонов старых типов или малогабаритные щитовые измерительные приборы магнитоэлектрической системы с током полного отклонения 0,25...1 мА. Приборы электромагнитной системы (например, автомобильные вольтметры) и миллиамперметры с током полного отклонения более 5 мА для наших целей непригодны. 
Поскольку простые схемы стрелочных индикаторов не требуют питания, их можно подключить к выходам усилителя по схеме "mixed mono", что позволяет несколько сократить число деталей (рис.1).
На рис. 2 приведена схема простейшего индикатора. При необходимости число каналов можно увеличить, добавив резисторы и диоды, как показано пунктиром. При использовании индикатора совместно с усилителем магнитолы последовательно с резисторами R1,R2 нужно включить электролитические конденсаторы емкостью 47...100 мкФ ("плюсом" к магнитоле). Можно также использовать "mixed mono" (см. рис.1), при этом конденсаторы не требуются, а цепочку R2VD2 можно исключить.
Сопротивление резистора, включенного последовательно с прибором зависит от тока полного отклонения. Примерное значение сопротивления можно найти по приведенной на рисунке формуле. Точное значение следует скорректировать при настройке по необхо
димому отклонению стрелки при заданной мощности. Остальные детали можно использовать любых типов. Сглаживающий электролитический конденсатор должен быть рассчитан на рабочее напряжение не ниже 25 вольт при измерении мощности до 15 Вт и не ниже 50 вольт - при большей мощности. Запас по напряжению нужен потому, что конденсатор используется в цепи переменного тока. Подбирая его емкость в пределах 1...100 мкФ, можно регулировать время обратного хода стрелки на любой вкус.
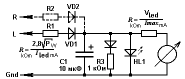
Недостаток схемы - малый динамический диапазон, не превышающий 10 дБ. Для магнитолы этого хватит, но при работе с усилителем большой мощности стрелка будет отклоняться лишь на пиках сигнала. В этом случае лучше применить схему, показанную на рис.3.
Ее основное отличие - расширитель динамического диапазона на диоде VD1 и светодиоде HL1. Как только выпрямленное напряжение на конденсаторе C1 достигает
значения 0,7 В, диод открывается и дальнейший рост напряжения замедляется резистором R3. Подбирая его сопротивление в пределах 100 Ом...10 кОм, можно регулировать "ход" шкалы в средней части. Следующее ограничение наступает в момент зажигания светодиода и дальнейший рост напряжения практически прекращается. Светодиод при этом можно использовать как индикатор перегрузки. Сопротивление резисторов на входе определяется максимальной мощностью усилителя и током примененного светодиода. Расчетная формула приведена на рисунке, точное значение сопротивления следует скорректировать по моменту зажигания светодиода при максимальной мощности.
Сопротивление резистора, включенного последовательно с прибором можно найти по второй формуле. Точное значение следует скорректировать при настройке по необходимому отклонению стрелки в момент зажигания светодиода. Напряжение на красном светодиоде составляет примерно 1,6 В, на более ярком желто-оранжевом - примерно 2,5 В. Остальные детали можно использовать любых типов. Сглаживающий электролитический конденсатор должен быть рассчитан на рабочее напряжение 6,3...10 В, поскольку напряжение на нем ограничено светодиодом. Подключается индикатор так же, как и предыдущий.
Динамический диапазон такого индикатора можно легко довести до 20 дБ, для дальнейшего расширения динамического диапазона уже требуется специальная схема управления с логарифмическим усилителем, а такая схема уже выходит за рамки простейших.