В любой звуковой программе кроме полезного сигнала всегда присутствуют посторонние шумы. Для борьбы с ними широко применяются эффективные компандериые устройства шумопонижения. Однако они, как известно, не подавляют шумов исходной программы, а только защищают ее от дополнительного шу-ш, вносимого носителем информации в звукозаписи или каналом связи в радиовещании. 
Динамические системы шумопонижения (ДСШП) имеют такое важное достоинство как возможность значительного ослабления шумов не только канала обработки сигнала, но и самой звуковой программы. Поэтому применение ДСШП целесообразно совмещать с компандернымн шумоподави-телями.
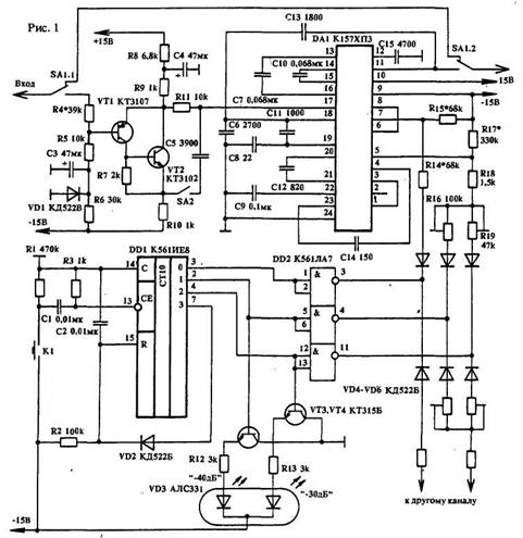
Шумопонижающее устройство на ИС К157ХПЗ способно подавлять шумы звуковой программы с динамическим диапазоном 40...50 дБ, практически не внося искажений в обрабатываемый сигнал. Подобное устройство шумопонижения (рис.1) разработано для применения в высококачественном стереокомплексе.
ТЕХНИЧЕСКИЕ ХАРАКТЕРИСТИКИ
Полоса пропускания, Гц 20...25 000
Номинальное входное напряжение, В 0,5
Коэффициент передачи 1
Коэффициент гармоник, % (не более) 0,1
Подавление шума, дБ (не менее) :
-в режиме "-50 дБ" 8
-в режиме "-40дБ" 12
-в режиме "-30дБ" 15
Входной делитель R4, R5 ослабляет сигнал до 100 мВ. Коэффициент передачи, равный 1, устанавливают подбором резистора R4.
На транзисторах VT1, VT2 собран составной эмиттерный повторитель, он же фазовращатель при замкнутых контактах переключателя S2. Применение фазовращателя желательно при обработке сигнала магнитофона, т.к. из-за дифференцирующего действия магнитная головка при воспроизведении вносит фазовые искажения.Наиболее наглядно это видно при воспроизведении сигнала прямоугольной формы. На рис.2 и 3 изображены осциллограммы сигнала частотой 1 и 4 кГц на выходе усилителя воспроизведения соответственно без фазовращателя и с фазовращателем.

На высоких частотах (6 кГц и более) эффективность фазовращателя проявляется в увеличении отдачи до 2 дБ.
Наиболее эффективно применение фазовращателей при перезаписях, т.к. уменьшает накопление фазовых искажений. С фазовыми предискажениями целесообразно производить записи, предназначенные для воспроизведения на магнитофонах без фазовращателя.
Для оперативного управления шумоподавителем и эффективного его использования в устройстве предусмотрено три фиксированных порога шумопонижения.
Эффективность шумопонижения в значительной степени связана с начальной нижней частотой среза, которая зависит от резистора в цепи вывода 7 и может быть установлена в пределах 0,8...1,6 кГц. Для индикации режима работы использован двухцветный светодиод VD2 (-40 дБ - зеленый, -30 дБ - красный). Микросхема К157ХПЗ включена по типовой схеме и особенностей не имеет.
Налаживают устройство в следующем порядке. Подбором резистора R4
устанавливают коэффициент передачи ШП, равный единице. Временно соединяют выв. 20 DAI с общим проводом. Кнопкой К1 включают режим
"-30 дБ". Подают на вход сигнал уровнем 50 мВ частотой 1 кГц. Подбором резистора R15 ослабляют сигнал на выходе ШП на 3 дБ. Восстанавливают монтаж.
Затем необходимо установить уровень сигнала 16 мВ частотой 6 кГц. Подстроечным резистором R19 уменьшить коэффициент передачи на 3 дБ. Включить режим "-40 дБ". Уменьшить уровень сигнала на 10 дБ (до 5 мВ). Подстроечным резистором R16 установить коэффициент передачи, равный 0,7 (ослабление 3 дБ).
Далее - временно соединить вывод 20 с общим проводом. Включить режим "-50 дБ". Подать на вход ШП сигнал уровнем 50 мВ частотой 1,5 кГц. Подбором резистора R14 добиться уменьшения коэффициента передачи на 3 дБ. Восстановить монтаж.
Наконец, надо установить уровень сигнала 1,6 мВ частотой 6 кГц. Подбором резистора R17 добиться коэффициента передачи, равного 0,7.
Литература:
В.Адрианов и др. "Все о микросхеме К157ХПЗ". "Радио",Nll/85,c.33-36.