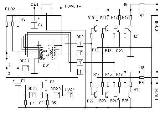
![]() |
R1..R5 1K C1 10mkF*16V DD1 К555ИЕ7
|
![]() |
Цифровой регулятор громкости
Doc
Просмотров: 4912
![]() |
R1..R5 1K C1 10mkF*16V DD1 К555ИЕ7
|
![]() |
Вся информация, предоставленная на данном ресурсе разрешена к ознакомлению детям школьного возраста. Все практическое использование может быть связана с повышенной электрической опасностью и разрешено детям только под присмотром взрослых.