Электронный счетчик расхода ленты рассчитан на работу в катушечном магнитофоне и, кроме своего основного назначения, может быть использован в качестве базы для системы поиска фонограмм.
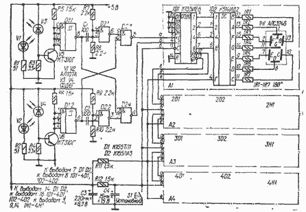
Счетчик состоит из двух фотодатчиков (светодиоды VI, V2 и фотодиоды V3, V4), такого же числа усилителей-ограничителей (V5, V6), формирователей прямоугольных импульсов (D1.1, D1.2), дифференцирующих цепей (C1R7R8, C2R9R10) и различителя направления движения ленты (D2.1-D2.4). Делители R7R8 и R9R10, входящие в состав дифференцирующих цепей, создают начальное напряжение смещения на входах инверторов D2.1, D2.2, несколько превышающее вровень логической "1" (для микросхем серии К155 - около 2,4 В). Благодаря этому смещению на входах инверторов выделяются импульсы, полученные от дифференцирования отрицательных перепадов выходного напряжения триггеров D1.1 и D1.2. При поступлении этих импульсов вместе с выходными импульсами триггеров на входы элементов D2.3, D2.4 на выходе одного из них (в зависимости от направления движения ленты) появляются последовательности отрицательных импульсов, управляющих работой двоично-десятичного счетчика 1D1. Последний вместе с дешифратором 1D2 и семисегментным индикатором 1Н1 образует первый разряд устройства. Всего таких разрядов- четыре.
Для установки устройства в нулевое состояние служит кнопка S1, соединяющая счетные входы микросхем 1D1-4D1 с общим проводом. При включении питания устройство устанавливается в это состояние автоматически (в первый момент счетные входы оказываются соединенными с общим проводом через конденсатор С4).
Фотодатчики монтируют либо в непосредственной близости от приемного узла магнитофона, либо в месте установки обводного ролика, приводимого во вращение движущейся лентой.
Для правильной работы устройства в обоих случаях необходим непрозрачный диск с отверстием в виде полукольца. Фотодатчики устанавливают на угловом расстоянии друг от друга, равном 180╟. Диаметр обводного ролика зависит от цены младшего разряда счетчика. Так, если в качестве единицы младшего разряда выбрана длина ленты 0,1 м, диаметр ролика должен быть равен 31,8 м.
Вместо светодиодов АЛ107А и фотодиодов ФД6Г в фотодатчиках можно использовать более доступные фотодиоды ФДЗ и лампы накаливания СМН 6-80 (в этом случае резисторы R1, R2 исключают). Индикаторы АЛС324Б можно заменить на АЛ305А, транзисторы КТ310Г - на любые кремниевые транзисторы с коэффициентом h21э>100. При необходимости в устройстве можно использовать и цифровые индикаторы тлеющего разряда. В этом случае дешифраторы К514ИД2 заменяют на К155ИД1.
Налаживания счетчик не требует.
Электронный счетчик расхода ленты
Doc
Просмотров: 5620