| Рабочий диапазон частот на линейном выходе, Гц, при работе с лентой А4409-6Б на скорости, см/с | |
| 19,05 | 30...18 000 |
| 9,53 | 30...15 000 |
| Номинальное выходное напряжение, мВ | 500 |
| Коэффициент гармоник в рабочем диапазоне частот, %, не более | 0,15 |
| Относительный уровень шумов, дБ, не хуже | -56 |
| Разбаланс уровней сигналов стереоканалов (на частоте 1 кГц), дБ, не более | 1 |
| Рассогласование АЧХ на линейном выходе в рабочем диапазоне частот, дБ, не более | 2 |
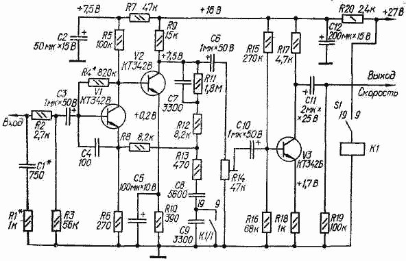
Усилитель (на рисунке изображен только один канал, второй ему идентичен) - трехкаскадный.
Для уменьшения шумов транзистор V1 работает с небольшим коллекторным током. Корректирующие элементы включены в цепь ООС R8R11-R13C7-С9, охватывающую первые два каскада. Дополнительную коррекцию сигнала (на высших частотах) можно получить подбором конденсатора С1* и резистора R1*, настроив контур, образованный ими и обмоткой магнитной головки, на частоту 24...25 кГц. Для переключения корректирующих цепей при переходе с одной скорости ленты на другую служит реле К1 типа РЭС-47 (паспорт РФ4.500.408П2 или РФ4.500.417П2).
Вместо указанных на схеме, в первых двух каскадах усилителя можно использовать транзисторы серий КТ373, КТ3102 со статическим коэффициентом передачи тока h21э> 400, в третьем - любые транзисторы серий КТ312, КТ315, КТ342, КТ3102 (коэффициент h21Э > 30).
Налаживание усилителя сводится к подбору резистора R4* и, если необходимо, к настройке контура магнитной головки для выравнивания АЧХ в области высших частот.