А.ФЕФЕЛОВ, г.Белокуриха, Алтайского кр.
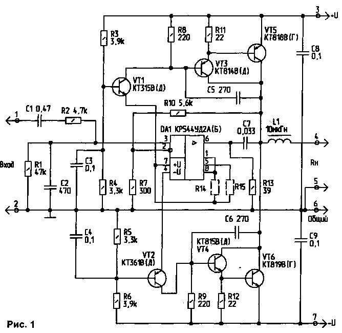
Предлагаемый УМЗЧ (рис.1) построен на базе операционного усилителя КР544УД2.
Параметры УМЗЧ
Рабочий диапазон частот, Гц, не менее 15...30000 Нелинейность
амплитудно-частотной характеристики, дБ, не более 2 Номинальная мощность на
нагрузке: - 4 Ом, Вт 40 - 8 Ом, Вт 20 Коэффициент гармоник, при
Рном, % не более 0,01 Номинальное входное напряжение, В 0,7 Входное
сопротивление, кОм, не менее 47 Выходное сопротивление, Ом, не более 0,03
Относительный уровень шумов и фона, дБ, не более -86 Номинальные
напряжения питания,В ±30
Операционный усилитель DA1 питается через транзисторы VT1 и VT2, которые
снижают напряжения питания до значений, задаваемых делителями R3, R4 и R5, R6.
Напряжения смещения транзисторов VT3, VT4 определяются падением напряжения на
резисторах R8, R9. В случае необходимости DA1 может быть отбалансирован при
помощи делителя R14, R15.
Puc.1
Ток покоя предоконечных транзисторов VT3, VT4 определяет напряжение смещения
на резисторах R11, R12 (0,35...0,4 В), которое при малых уровнях сигналов
поддерживает транзисторы VT5, VT6 в закрытом состоянии даже при повышении
напряжения питания на 10...15% или перегреве на 60...80°. Резисторы R11, R12
одновременно стабилизируют режим работы предоконечного каскада VT3, VT4,
создавая местные отрицательные обратные связи (ООС) по току. Общая ООС по
напряжению формируется делителем R7, R10.
Фильтры низких частот R2, С2 и R13, С7 с частотами среза в области 60 кГц
предотвращают самовозбуждение усилителя на высоких частотах. Конденсаторы С5, С6
корректируют фазочастотную характеристику предоконечного и оконечного каскадов.
Катушка L1 повышает стабильность работы усилителя при работе на нагрузку,
обладающую повышенной реактивностью.
Сборка и монтаж. При сборке конструкции необходимо пользоваться паяльником с
хорошей изоляцией и мощностью не более 40 Вт. Чертеж печатной платы УМЗЧ
приведен на рис.2, а сборочный чертеж - на рис.3.
Порядок сборки следующий: перемычка S1, резисторы, конденсаторы, катушка L1,
операционный усилитель (DA1), транзисторы VT1...VT4, после предварительной
регулировки - транзисторы VT5, VT6. Бескаркасная катушка L1 содержит 10 витков
любого медного обмоточного провода диаметром 1...2 мм. Ее наматывают на
временной оправке диаметром 4...6 мм, например на тонкой шариковой ручке или
карандаше.
С целью минимизации нелинейных искажений транзисторы VT3...VT6 должны
подключаться к печатной плате проводниками длиной не более 50 мм.
Оптимальная конструкция УМЗЧ приведена на рис.3. С помощью двух уголков плату
привинчивают к теплоотводу, а транзисторы впаивают непосредственно в плату.
Удобнее всего это делать в следующей последовательности:
- разметьте теплоотвод, просверлите необходимые отверстия и нарежьте в них
резьбу МЗ. Конструкция теплоотвода может быть произвольной, однако площадь его
поверхности для максимальной выходной мощности 60 Вт должна быть не менее 500
см2;
- привинтите плату к теплоотводу;
- установите транзисторы VT3, VT4 в соответствующие отверстия платы, после
чего привинтите их к теплоотводу, а затем припаяйте их;
- после предварительной регулировки аналогично смонтируйте транзисторы VT5,
VT6;
- после этого припаяйте провода для подключения питания и нагрузки сечением
не менее 0,5 мм2.
Наладка. Для наладки усилителя необходимы осциллограф, низкочастотный
генератор, тестер, эквивалент нагрузки и биполярный источник питания с выходным
напряжением ±30 В при токе нагрузки не менее 4 А.
Высокая стабильность УМЗЧ позволяет питать его от простейшего
нестабилизированного источника питания. Питание на усилитель при его регулировке
и эксплуатации подают через предохранители на 5 А. Регулировку начинают при
отключенных транзисторах VT5, VT6 и закороченном входе (точки 1 и 2 соединены).
К выходу УМЗЧ без нагрузки подключите осциллограф в режиме максимальной
чувствительности и кратковременно подайте питание. Если на выходе нет
переменного напряжения, т.е. усилитель не возбуждается, замерьте режимы работы
VT3, VT4; напряжения на выводах 7 и 4 DA1. Они должны быть в пределах 13,4...14
В и отличаться между собой не более чем на 0,3 В. Падения напряжения на
резисторах R11, R12 должны быть в пределах 0,35...0,4 В. Если они отличаются
больше чем на 10%, необходимо подобрать резисторы R8, R9. При этом их новые
значения по-прежнему должны быть примерно равны между собой.
В случае самовозбуждения усилителя следует увеличить емкости конденсаторов
С5, С6, либо, разрезав до-рожку, соединяющую выводы 1 и 8
DA1 подпаять к ним конденсатор типа КМ-5 емкостью 5...10 пФ.
Измерьте постоянное напряжение на выходе и, если оно превышает 30 мВ,
отбалансируйте DA1. Для этого впаяйте переменный резистор сопротивлением
100...200 кОм вместо резисторов R14 и R15 (средним выводом в точку их соединения
с выводом 7 DA1). Вращением оси этого резистора добейтесь нужного значения
выходного напряжения, замерьте полученные величины сопротивлений и впаяйте
соответствующие постоянные резисторы R14 и R15. Нежелательно использовать в
качестве балансировочного подстроеч-ный резистор - вследствие старения этого
резистора возможно нарушение балансировки усилителя в процессе его эксплуатации.
Установите на теплоотвод и на плату транзисторы VT5, VT6. Кратковременно
подав питание, убедитесь, что УМЗЧ не возбуждается.
Подключите к выходу УМЗЧ резистор сопротивлением 16 Ом мощностью 10...15 Вт,
и подайте от генератора на вход (точки 1 и 2 разъедините) сигнал с уровнем 0,05
В частотой 1 кГц.
Проверьте симметричность ограничения обеих полуволн синусоиды.
При необходимости, окончательной балансировкой DA1 добейтесь минимального
постоянного напряжения на выходе УМЗЧ.
Подключите номинальную нагрузку - резистор сопротивлением 4...8 Ом мощностью
не менее 50 Вт (например реостат) - и еще раз измерьте основные характеристики
УМЗЧ.
После окончательной регулировки подключите источник музыкального сигнала и
реальную акустическую систему.
Для работы усилителя мощности от источников сигнала со стандартным линейным
выходом 250 мВ (магнитофон, проигрыватель и т.п.) следует использовать
предварительный усилитель с возможностью регулировки громкости и тембра.
Если источник входного сигнала собран по схеме с однополярным питанием, при
включении усилителя могут прослушиваться "щелчки" в акустических системах. Для
устранения этого явления можно собрать схему задержки подключения акустической
системы и защиты динамиков от короткого замыкания, например по схемам,
приведенным в [1...3].
Литература
1. Радио, 1990, N8.C.63.
2. Радио, 1991, N1, с.59.
3. Радио, 1992, N4, с.37.
(РЛ 4/99) |