Коммутатор входов с микшированием

http://www.radio-portal.ru/https://server.radio-portal.su/cache/irl92055_images_stories_pictures_thumb_medium600_0.jpg

http://www.radio-portal.ru/images/stories/pictures/irl92055.jpg

 

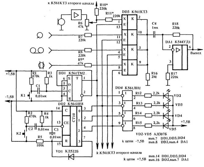
При проведении дискотек и для записи фонограмм часто возникает необходимость микширования сигналов микрофона с другими входами или входов между собой. Микширование сигналов лучше всего проводить на входе инвертирующего усилителя. При этом, благодаря низкому входному сопротивлению, развязка входов наибольшая.

В предлагаемом коммутаторе для увеличения развязки и уменьшения наводок от неиспользуемых входов применен коммутатор на DD2, DD3 [2]. Искажения, вносимые ключами коммутаторов, зависят от последовательно включенного сопротивления (они тем меньше, чем больше сопротивление), напряжения питания и коммутируемого напряжения [1] и в данном случае пренебрежимо малы.
Параметры коммутатора соответствуют указанным в [1]. Количество коммутируемых входов может быть увеличено.
При необходимости микшировать другие входы между собой можно ввести еще один переключатель на К561ИЕ8. При этом вывод 3 вновь введенного переключателя не используют, а управляющие напряжения с обоих переключателей подают через диоды типа КД522Б, объединив их катодами на управляющих входах коммутаторов на К561КТЗ.
В качестве микрофонного усилителя можно применить любой усилитель с выходным напряжением не менее 250 мВ. Для исключения перегрузок при записи совместно с микрофонным усилителем желательно применить компрессор, например, описанный в [3].

Литература.

1. С.Карелин. Электронный селектор входов с малыми искажениями. "Радио"4/91, с.52, 53.
2. А.Петров, Д.Петров. Простой генератор для настройки магнитофонов. "Радиолюбитель" 10/91, с.31, 32.
3. За рубежом. "Радио" 2/73, с.59.

Обсудить эту статью на форуме (0 ответов).
Вся информация, предоставленная на данном ресурсе разрешена к ознакомлению детям школьного возраста. Все практическое использование может быть связана с повышенной электрической опасностью и разрешено детям только под присмотром взрослых.