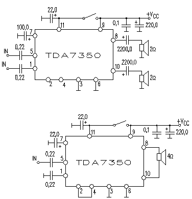
Усилитель TDA7350 2X12W

 

VCC MAX=28V

P0=2X12W

ICCO TYP=-

Rin=50K

VCC TYP=14,4V

RL=2 Ohm

ICCO MAX=120mA

Gain=29dB

VCC RNG=8...18V

TDH=10%

IMAX=4A

Noise=1,5mkV

 

Обсудить эту статью на форуме (0 ответов).
Вся информация, предоставленная на данном ресурсе разрешена к ознакомлению детям школьного возраста. Все практическое использование может быть связана с повышенной электрической опасностью и разрешено детям только под присмотром взрослых.