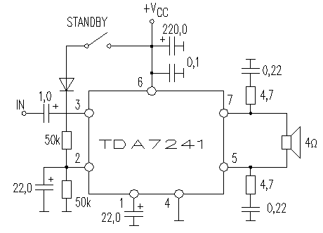
Усилитель TDA7241 20W

 

VCC MAX=18V

P0=20W

ICCO TYP=65mA

Rin=70K

VCC TYP=14,4V

RL=4 Ohm

ICCO MAX=120mA

Gain=26dB

VCC RNG=-

TDH=10%

IMAX=3,5A

Noise=2mkV

 

Обсудить эту статью на форуме (0 ответов).
Вся информация, предоставленная на данном ресурсе разрешена к ознакомлению детям школьного возраста. Все практическое использование может быть связана с повышенной электрической опасностью и разрешено детям только под присмотром взрослых.