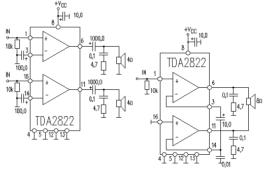
Усилитель TDA2822 2X0,65W

 

 

VCC MAX=15V

P0=2X0,65W

ICCO TYP=6mA

Rin=100K

VCC TYP=6V

RL=4 Ohm

ICCO MAX=12mA

Gain=39dB

VCC RNG=3...15V

TDH=10%

IMAX=1,5A

Noise=2,5mkV

 

Обсудить эту статью на форуме (0 ответов).
Вся информация, предоставленная на данном ресурсе разрешена к ознакомлению детям школьного возраста. Все практическое использование может быть связана с повышенной электрической опасностью и разрешено детям только под присмотром взрослых.