|
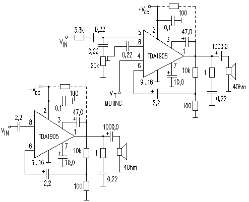
VCC MAX=30V |
P0=5W |
ICCO TYP=17mA |
Rin=200K |
|
VCC TYP=14V |
RL=4 Ohm |
ICCO MAX=35mA |
Gain=40dB |
|
VCC RNG=4...30V |
TDH=10% |
IMAX=3A |
Noise=2mkV |
|
VCC MAX=30V |
P0=5W |
ICCO TYP=17mA |
Rin=200K |
|
VCC TYP=14V |
RL=4 Ohm |
ICCO MAX=35mA |
Gain=40dB |
|
VCC RNG=4...30V |
TDH=10% |
IMAX=3A |
Noise=2mkV |
Вся информация, предоставленная на данном ресурсе разрешена к ознакомлению детям школьного возраста. Все практическое использование может быть связана с повышенной электрической опасностью и разрешено детям только под присмотром взрослых.