![]() |
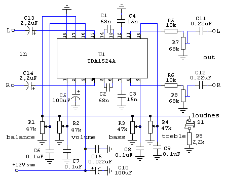
| Технические характеристики регулятора громкости, баланса и тембра на TDA1524A: Полоса частот 20-20 000Hz Регулировка тембра на частоте 40Hz (bass) -19/+17db Регулировка тембра на частоте 16Khz (treble) -15/+15db Регулировка баланса -40db Входное сопротивление 10-60K Выходное сопротивление 300Om Регулировка громкости не менее -80/+21,5db Коэффициент гармоник не более 0,3% Относительный уровень шумов не более -80db Напряжение питания 6-18V Переменные резисторы можно использовать любые, т.к. регулировка громкости, баланса и тембра в данной микросхеме осуществляется электронным способом. Подстрочными резисторами R7 и R8 регулируется усиление выходного сигнала, кнопка S1, включающая частотную компенсацию регулятора громкости (на схеме выключена), должна быть с фиксацией. Для тех, кто хочет постоянно использовать частотную компенсацию без возможности отключения, могут исключить из схемы элементы S1 и R9. В процессе работы микросхема нагревается. Приклейте к ней (например, клеем "Момент") небольшой П-образный радиатор из алюминия. Это повысит надежность работы и срок службы микросхемы. Copyright ©2002 by Vladimir Drigalkin, LENIN INC, Kiev |
Регулятор громкости, баланса и тембра на TDA1524A
Doc
Просмотров: 4923
