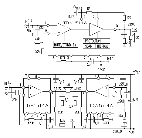
Усилитель TDA1514 40W

 

 

VCC MAX=18V

P0=2X12W

ICCO TYP=75mA

Rin=1MOhm

VCC TYP=14,4V

RL=2 Ohm

ICCO MAX=-

Gain=40dB

VCC RNG=6...18V

TDH=10%

IMAX=6A

Noise=2mkV

 

Обсудить эту статью на форуме (0 ответов).
Вся информация, предоставленная на данном ресурсе разрешена к ознакомлению детям школьного возраста. Все практическое использование может быть связана с повышенной электрической опасностью и разрешено детям только под присмотром взрослых.