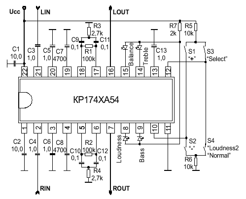
Регулятор громкости и тембра - КР174ХА54

Принципиальная схема показана на   Рис 1

 

 

 

 

Микросхема КР174ХА54 выполняет функции регулятора громкости, тембра и баланса в стереофонических системах и предназначена для применения в низковольтной малогабаритной звуковоиспроизводящей аппаратуре с кнопочным управлением.

Диапазон регулировки громкости.........70дб.
Шаг регулировки............1,4дб.
Напряжение питания от 2,1 до 6,0 В.
Ток потребления..........10мА.

Обсудить эту статью на форуме (0 ответов).
Вся информация, предоставленная на данном ресурсе разрешена к ознакомлению детям школьного возраста. Все практическое использование может быть связана с повышенной электрической опасностью и разрешено детям только под присмотром взрослых.