
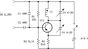
L1 (на 60-70 МГц) - 6 витков ПЭЛ 0.8 диаметp 6мм, безкаpкасная.
VT1 - П416Б, КТ361, КТ326, КТ313 и т.п. с F > 200-300 МГц.

L1 (на 60-70 МГц) - 6 витков ПЭЛ 0.8 диаметp 6мм, безкаpкасная.
VT1 - П416Б, КТ361, КТ326, КТ313 и т.п. с F > 200-300 МГц.
Вся информация, предоставленная на данном ресурсе разрешена к ознакомлению детям школьного возраста. Все практическое использование может быть связана с повышенной электрической опасностью и разрешено детям только под присмотром взрослых.