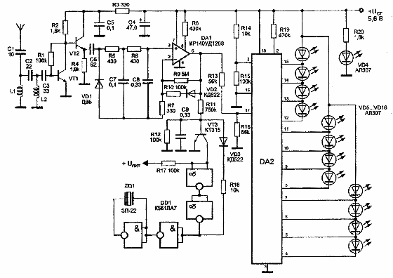
В состав детектора поля входят ФВЧ, усилитель ВЧ, диодный детектор, усилитель постоянного тока с логарифмической зависимостью коэффициента усиления, звуковой генератор с изменяющейся частотой и светодиодная шкала из 12 светодиодов. Детектор способен регистрировать работающие радиокикрофоны в диапазоне частот 20-600 МГц.
Сигнал, наводимый в антенне, фильтруется ФВЧ на элементах С2, L1, С3, L2 и поступает на широкополосный апериодический усилитель. Последний выполнен на высокочастотном транзисторе VT1 типа КТ3101. Нагрузкой усилителя служит эмиттерный повторитель на транзисторе VT2 типа КТ3101. Сигнал, снимаемый с регулятора чувствительности - резистора R4, поступает через конденсатор С6 на диодный детектор, собранный на диоде VD1 типа Д9Б. Высокочастотные составляющие фильтруются RC-фильтрами R5, C7 и R6, C8. Низкочастотный сигнал поступает на усилитель на микросхеме DA1 типа КР140УД1208. Коэффициент усиления этого усилителя определяется значением резистора R9. При малом уровне входного сигнала усилитель на DA1 имеет большое усиление. По мере увеличения сигнала происходит открывание диода VD2 типа КД522, сопротивление которого изменяется по логарифмическому закону. Это приводит к изменению сопротивления обратной связи также по логарифмическому закону. С выхода усилителя на микросхеме DA1 сигнал поступает на светодиодный индикатор и звуковой генератор.

Звуковой генератор выполнен на транзисторе VT3 типа КТ315 и микросхеме DD1 типа К561ЛА7. Конденсатор С9 заряжается через резистор R11 до напряжения открывания транзистора VT3. Это приводит к смене уровня логической единицы на уровень логического нуля на коллекторе транзистора VT3. При этом катод диода VD3 типа КД522 оказывается подключенным через резистор R18 к минусу источника питания. Конденсатор С9 быстро разряжается через цепь VD3, R18, что ведет за собой закрывание транзистора VT3. Конденсатор С9 снова начинает заряжаться и весь процесс повторяется. Прямоугольные импульсы преобразуются пьезокерамическим преобразователем ZQ1 типа ЗП-22 в звуковые. При увеличении напряжения на выходе усилителя DA1 уменьшается время заряда конденсатора С9 до напряжения открывания транзистора VT3, а это, в свою очередь, приводит к увеличению частоты следования импульсов генератора. Таким образом, при увеличении уровня входного сигнала происходит повышение тональности звукового сигнала.
Основой светодиодного индикатора является микросхема DA2 типа КМ1003ПП2. Микросхема КМ1003ПП2 является специализированной и выполняет функцию управления светодиодной шкалой, обеспечивая высвечивание столбика на шкале из 12 светодиодов, которые загораются поочередно при изменении входного напряжения от минимального до максимального значения. Яркость свечения светодиодов поддерживается постоянной. Входной сигнал, через делитель напряжения на резисторах R13, R16, поступает на вход микросхемы DA2 (вывод 17). На выводы 16 и 3 микросхемы DA2 подаются уровни опорного напряжения, определяющие, соответственно, минимальное (светодиоды не горят) и максимальное (горят все светодиоды) Значения входного сигнала. Питается устройство от источника питания напряжением 5,6 В. Светодиод VD4 типа АЛ307 служит для индикации включения прибора.
Все используемые детали малогабаритные. Микросхема DA1 может быть заменена на КР1407УД2 или любой другой операционный усилитель со своими цепями коррекции. Вместо микросхемы DD1 можно применить К561ЛЕ5. При замене диода VD1 на ГД507 диапазон прибора может быть увеличен до 900 МГц. Микросхема DA2 может быть заменена на A277D. Чувствительность прибора регулируется резистором R4.