Как собрать устройство для прослушиваня помещений и автомобилей

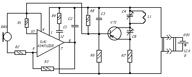
Вам предлагается схема простейшего "жучка". Микропередатчик позволяет улавливать на расстоянии легкий разговор. Вся схема монтируется на печатной диэлектрической плате (112 х 30 мм). Схема реализована с применением операционного усилителя, что позволяет добиться высокой чувствительности работы в радиусе 100м.
Микропередатчик маскируете в помещении, которое желаете прослушать, прием ведете на обычный бытовой радиоприемник на УКВ диапозоне, для чего необходимо подстроить генератор на УКВ диапозон рабочих частот (60-65 МГц). Микрофон любой динамический. Микропередатчик питается от 12,6 В., от Д-0,1 или "Корунд". Подстройка частоты осуществляется С4. Катушка намотана на корпусе без сердечника и содержит 6 витков ПЭЛ 0,6 мм. Если провод посеребрить, то КПД возрастает.
НЧ часть экранировато от высоковольтной.
1. VT-(П403), 2. R1, R2 (1к) R3 (100к), R4, R7 (680), R5 (27k), R6 (6,8k)
3. C1(1200) C2, C3 (6800), C4, C5 (3...30).

Обсудить эту статью на форуме (0 ответов).
Вся информация, предоставленная на данном ресурсе разрешена к ознакомлению детям школьного возраста. Все практическое использование может быть связана с повышенной электрической опасностью и разрешено детям только под присмотром взрослых.