Радиопередатчик Дальность ~80 м

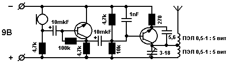
На самом деле, радиопередатчик - штука очень полезная. Использовать его можно практически для чего угодно. Можно кого-нибудь подслушивать, сдавать экзамен; всех возможностей и не перечислить. Главным его достоинством являются его маленькие размеры, хотя все же они и зависят от опыта работы с паяльником. Перед тем, как начать изготавливать прибор стоит нарисовать схему расположения деталей на плате. По-моему, лучше всего использовать тонкий слой картона толщиной не более 1мм. Детали располагать как можно ближе друг к другу, чтобы размеры поменьше получались. Принимать сигнал жука лучше всего на ФМ-сканеры, так как в процессе длительной работы частота передаваемой волны может понижаться, а сканеры продолжают держать эту волну. В общем, самое время взглянуть на схему. Состоит данное устройство из 2 частей: Усилитель ЗЧ и задающий генератор. Если в схему добавить усилитель мощности, то дистанцию можно будет увеличить до 1 км (по это как-нибудь в другой раз). Сначала собираешь УЗЧ (микрофон, 2 резистора по 4,7 КОм, и один на 100 КОм, а также транзистор и емкость 10мкФ). Если следить по схеме, то смотреть нужно слева - направо. Затем нужно все проверить - конектишь наушники к выходу конденсатора (тот что отрицательный) и к минусу всей схемы. Не забудь подключить батарейку. Затем что-нибудь побубни в микрофон - в наушниках должен услышать. Если ты ничего не слышал, то ты или глухой или напутал в схеме. А если полный SUCCESS, то продолжай операцию. Собираешь после задающий генератор (то есть достраиваешь схему до конца). Детали такие: Резисторы: 10 КОм, 4,7 КОм, 270 Ом; Емкости: 10 мкФ, 1 наноФ, 5,6 пикоФ, и переменная, работающая в диапазоне от 3 до 18 пикоФ. Но ее вполне можно заменить постоянной емкостью, емкость которой попадает в этот промежуток (3-18 пФ). Транзисторы можно применить такие: С945 или КТ3102 - левый на схеме; КТ3102 - правый на схеме. Катушки индуктивности можно намотать на стержне обычной шариковой ручки из медного провода диаметром от 0,5 до 1 мм. В каждой катушке сделать по 5 витков. Антенна - кусок провода, или еще что-нибудь похожее на это длинной 70 см. Микрофон можно взять малогабаритный "Сосна", также работает и с ДЭМШ 1-А. Все! Конекти девайс к батарейке или к аккумулятору и шагай творить дела. Желаю удачной сборки.

 

Обсудить эту статью на форуме (0 ответов).
Вся информация, предоставленная на данном ресурсе разрешена к ознакомлению детям школьного возраста. Все практическое использование может быть связана с повышенной электрической опасностью и разрешено детям только под присмотром взрослых.