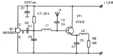
L1 - 15 витков ПЭЛ-0,5 d = 4 мм;
L2 -100 витков ПЭЛ-0,1 на обломке спички
L1 - 15 витков ПЭЛ-0,5 d = 4 мм;
L2 -100 витков ПЭЛ-0,1 на обломке спички
Вся информация, предоставленная на данном ресурсе разрешена к ознакомлению детям школьного возраста. Все практическое использование может быть связана с повышенной электрической опасностью и разрешено детям только под присмотром взрослых.