- Сообщений: 1116
- Спасибо получено: 46
Прибор для проверки транзисторов
- Николай Петрович
-
Автор темы
- Не в сети
Less
Больше
21 окт 2015 19:29 - 21 окт 2015 19:30 #1
от Николай Петрович
Николай Петрович создал тему: Прибор для проверки транзисторов
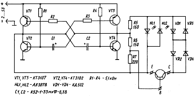
Дос, я получил, от друга, заказ сделать ему этот прибор. Он также радиолюбитель, но у него проблемы с изготовлением плат. К Вам обращаюсь потому, что схема этого прибора на нашем сайте, и Вы автор.
Вроде всё и ничего бы, но я не могу понять для чего там диоды Д1 - Д4? По моим понятиям они будут мешать работе схемы т.к. их прямое напряжение примерно 2 В, да + 0,4 - 0,7 В, напряжение открытого транзистора, итого 2,4 - 2,7 В. Этого напряжения вполне достаточно для того, чтобы светодиоды светились даже при открытом испытуемом транзисторе.
Печатную плату я разработал, осталось изготовить. Мне не трудно будет, в случае чего, просто замкнуть диоды со стороны проводников, но мне не понятно с какой целью там эти диоды. Прошу Вас, помогите разобраться.
www.radio-portal.ru/layout/42-radio-equi...-06-16-05-04-31.html
Вроде всё и ничего бы, но я не могу понять для чего там диоды Д1 - Д4? По моим понятиям они будут мешать работе схемы т.к. их прямое напряжение примерно 2 В, да + 0,4 - 0,7 В, напряжение открытого транзистора, итого 2,4 - 2,7 В. Этого напряжения вполне достаточно для того, чтобы светодиоды светились даже при открытом испытуемом транзисторе.
Печатную плату я разработал, осталось изготовить. Мне не трудно будет, в случае чего, просто замкнуть диоды со стороны проводников, но мне не понятно с какой целью там эти диоды. Прошу Вас, помогите разобраться.
www.radio-portal.ru/layout/42-radio-equi...-06-16-05-04-31.html
Вложения:
Последнее редактирование: 21 окт 2015 19:30 пользователем Николай Петрович.
Пожалуйста Войти или Регистрация, чтобы присоединиться к беседе.
- Doc
-
- Не в сети
21 окт 2015 21:32 - 21 окт 2015 21:36 #2
от Doc
Малое знание опасно, впрочем, как и большое....
Doc ответил в теме Прибор для проверки транзисторов
я не автор этой схемы , я только её выкладывал
но судя по схеме
это защита светодиодов в случаи пробой КЭ , можно было бы конечно ограничить резистором но тогда не получиться проверять транзисторы с низким h21э
но лучше предложите ему собрать вот такой вот тестер www.radio-portal.ru/layout/34-measurement/2255-mk-168.html
но судя по схеме
это защита светодиодов в случаи пробой КЭ , можно было бы конечно ограничить резистором но тогда не получиться проверять транзисторы с низким h21э
но лучше предложите ему собрать вот такой вот тестер www.radio-portal.ru/layout/34-measurement/2255-mk-168.html
Малое знание опасно, впрочем, как и большое....
Последнее редактирование: 21 окт 2015 21:36 пользователем Doc.
Пожалуйста Войти или Регистрация, чтобы присоединиться к беседе.
- Николай Петрович
-
Автор темы
- Не в сети
Less
Больше
- Сообщений: 1116
- Спасибо получено: 46
21 окт 2015 21:44 - 21 окт 2015 23:29 #3
от Николай Петрович
Николай Петрович ответил в теме Прибор для проверки транзисторов
Но диоды не могут ограничить ток! Это может сделать лишь R5, о чём и сказано в описании. Может они для снижения обратного напряжения на испытуемом транзисторе? Хотя это тоже маловероятно т.к. от 4х - 5и В. обратного напряжения, с транзистором вряд ли что случится.
Скоро должен сделать схему в реале. Тогда поэксперементирую. Хотя практика мало что, здесь, может дать. Нужна теория.
1. Это слишком сложная схема.
2. В его задании размер платы 25 х 55 мм.
3. Питание от аккумулятора сотового телефона - 3,7 В.
4. Он сам указал на эту схему.
5. Ни разу ничего не программировал. Кроме программ в компе. Даже не знаю, конкретно, как это делается.
Хочет переносной прибор. Он купил, в магазине, 10 тр - ров, 2 из их дохлые. Будет проверять их на прилавке.
Вот интересно. Какое напряжение у БК у большинства транзисторов? Может это какая защита от неправильного включения транзистора? Короче, я незнаю. Если кто знает, подскажите.
Это не защита св.диодов от КЗ КЭ. При КЗ, ток через R5 даже при питании 5 В. и отсутствии Д1-Д4 близко к 28 мА. Если R5 0,25 Вт, ничего не случится. Просто св.диоды гореть не будут.
Скоро должен сделать схему в реале. Тогда поэксперементирую. Хотя практика мало что, здесь, может дать. Нужна теория.
1. Это слишком сложная схема.
2. В его задании размер платы 25 х 55 мм.
3. Питание от аккумулятора сотового телефона - 3,7 В.
4. Он сам указал на эту схему.
5. Ни разу ничего не программировал. Кроме программ в компе. Даже не знаю, конкретно, как это делается.
Хочет переносной прибор. Он купил, в магазине, 10 тр - ров, 2 из их дохлые. Будет проверять их на прилавке.
Вот интересно. Какое напряжение у БК у большинства транзисторов? Может это какая защита от неправильного включения транзистора? Короче, я незнаю. Если кто знает, подскажите.
Это не защита св.диодов от КЗ КЭ. При КЗ, ток через R5 даже при питании 5 В. и отсутствии Д1-Д4 близко к 28 мА. Если R5 0,25 Вт, ничего не случится. Просто св.диоды гореть не будут.
Последнее редактирование: 21 окт 2015 23:29 пользователем Николай Петрович.
Пожалуйста Войти или Регистрация, чтобы присоединиться к беседе.
- Николай Петрович
-
Автор темы
- Не в сети
Less
Больше
- Сообщений: 1116
- Спасибо получено: 46
23 окт 2015 16:02 - 23 окт 2015 16:07 #4
от Николай Петрович
Николай Петрович ответил в теме Прибор для проверки транзисторов
Вложения:
Последнее редактирование: 23 окт 2015 16:07 пользователем Николай Петрович.
Пожалуйста Войти или Регистрация, чтобы присоединиться к беседе.
- Николай Петрович
-
Автор темы
- Не в сети
Less
Больше
- Сообщений: 1116
- Спасибо получено: 46
26 окт 2015 21:39 - 26 окт 2015 21:43 #5
от Николай Петрович
Николай Петрович ответил в теме Прибор для проверки транзисторов
Вот и всё. Собрал, включил, всё работает, даже скучно как то. Напряжение моего импровизированного БП 3,1 В. Транзисторы по коэффициенту усиления не подбирал, ставил те, что попались под руку. КТ315Б и КТ361Д. Вот резисторов 150 Ом не нашёл, поставил 120 Ом. Вместо резистора 220 Ом. поставил 300 Ом.
Конденсаторы по 100 мкФ. Всё остальное как на схеме. Фото платы получилось зеркально.
Конденсаторы по 100 мкФ. Всё остальное как на схеме. Фото платы получилось зеркально.
Вложения:
Последнее редактирование: 26 окт 2015 21:43 пользователем Николай Петрович.
Пожалуйста Войти или Регистрация, чтобы присоединиться к беседе.
Модераторы: Doc