проблема с ИК-светодиодами

Больше
24 июнь 2015 20:34 #1 от Денис
Денис создал тему: проблема с ИК-светодиодами
Приветствую, форумчане.
Помогите чайнику, кто, чем может.
Есть следующая проблема. Есть последовательная цепочка ик-светодиодов. Для контроля цепи хочу вставить синий светодиод. Но они имеют разный ток. Подскажите, как лучше и правильнее собрать схему, что бы она работала достаточно надежно. Дельный совет готов оплатить. Спасибо.

Пожалуйста Войти или Регистрация, чтобы присоединиться к беседе.

Больше
24 июнь 2015 21:16 #2 от Rrenovatio
Rrenovatio ответил в теме проблема с ИК-светодиодами
подбирай светодиод по току одинаковому, ну +- 10 %...
на радио рынке полно! главное что бы они все были на одно напряжение,
скажем: по 3 вольта - в цепочке 10 шт. + твой синий, будет 33 вольта!
значит один ИК выпаиваешь, а вместо него свой впаиваешь...
:P

Пожалуйста Войти или Регистрация, чтобы присоединиться к беседе.

Больше
24 июнь 2015 22:00 #3 от Денис
Денис ответил в теме проблема с ИК-светодиодами
Не совсем понял, току подбирать или по напряжению. Ик-диод 50мА, 1.2В, синие 20мА, 2,7В. Подобрать равнозначные характеристики не получается. В идеале сделать так, что бы синий светодиод загорался, когда цепь выходит из строя.

Пожалуйста Войти или Регистрация, чтобы присоединиться к беседе.

Больше
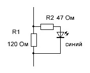
24 июнь 2015 23:53 - 25 июнь 2015 05:43 #4 от Николай Петрович
Николай Петрович ответил в теме проблема с ИК-светодиодами
Так нравится?



Вот если б Вы подробней описали что за гирлянда? сколько светодиодов? от какого напряжения питаются? чем ограничивается ток гирлянды? Было бы много лучше. А так мы представляем одно, а у Вас, быть может, совершенно другое. И ещё. Можно ли применять транзисторы?
Если в Вашей гирлянде на каждые 3 светодиода не стоит резистор, тогда эту схемку можно установить вместо 3х светодиодов.

Последнее редактирование: 25 июнь 2015 05:43 пользователем Николай Петрович.

Пожалуйста Войти или Регистрация, чтобы присоединиться к беседе.

Больше
25 июнь 2015 08:17 #5 от Денис
Денис ответил в теме проблема с ИК-светодиодами
Сразу оговорюсь, это промышленная установка. ИК-диоды используются для локального нагрева и создания градиента температур.
Цепочка 8 или 9 ИК-диодов, и один контрольный. Питание от блока питания на 12В, 3А. Лишнее напряжение гасится резистром. Приведенную выше схему с шунтом синим светодиодом собирал, но он светит все время. Хотя, возможно, дело в резисторе, я ставил большой номинал, до 4ком. Не могу вставить ссылки на марки диодов. Вечером с компьютера попробую. Спасибо.

Пожалуйста Войти или Регистрация, чтобы присоединиться к беседе.

Модераторы: Doc
Вся информация, предоставленная на данном ресурсе разрешена к ознакомлению детям школьного возраста. Все практическое использование может быть связана с повышенной электрической опасностью и разрешено детям только под присмотром взрослых.