- Сообщений: 2505
- Спасибо получено: 78
LCF - метр!
- Rrenovatio
-
Автор темы
- Не в сети
Less
Больше
12 янв 2015 14:35 - 12 янв 2015 14:38 #1
от Rrenovatio
Rrenovatio создал тему: LCF - метр!
Господа портальцы, как думаете микроконтроллер выжил?
:blink:
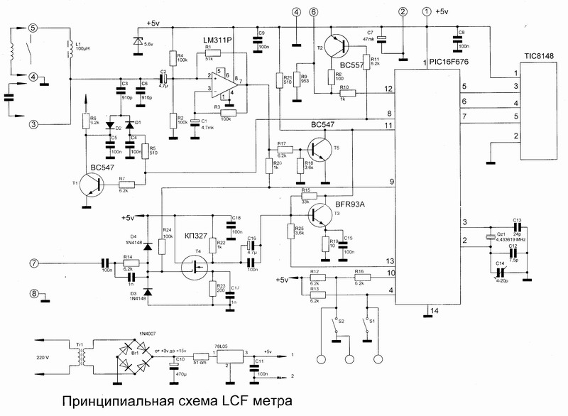
Контрольные точки - 4,6 (замер ёмкости конденсаторов в мкф.)
при замере ёмкости конденсатора 200 мкф. 330 вольт нужно было сначала его разрядить... :whistle:
забыл!!! ну забыл!!! спешил...
и получил - бах!
:sick:
транзистор Т2 получил пробой (коллектор - эмиттер)!
но всё остальное кроме замера конденсаторов вроде как функционирует!!!
при замере ёмкости постоянно высвечиваются нолики...
вот думаю если перепаяю транзистор, заработает? или всё таки микроконтроллеру досталось?
или нет смысла в дальнейшем ремонте... всё таки на ноге 12 (1 ком) стоит???

:blink:
Контрольные точки - 4,6 (замер ёмкости конденсаторов в мкф.)
при замере ёмкости конденсатора 200 мкф. 330 вольт нужно было сначала его разрядить... :whistle:
забыл!!! ну забыл!!! спешил...
и получил - бах!
:sick:
транзистор Т2 получил пробой (коллектор - эмиттер)!
но всё остальное кроме замера конденсаторов вроде как функционирует!!!
при замере ёмкости постоянно высвечиваются нолики...
вот думаю если перепаяю транзистор, заработает? или всё таки микроконтроллеру досталось?
или нет смысла в дальнейшем ремонте... всё таки на ноге 12 (1 ком) стоит???
Вложения:
Последнее редактирование: 12 янв 2015 14:38 пользователем Rrenovatio.
Пожалуйста Войти или Регистрация, чтобы присоединиться к беседе.
- Иван
-
- Не в сети
12 янв 2015 16:48 #2
от Иван
Иван ответил в теме LCF - метр!
Ну а почему бы не попробовать перепаять транзюк дело то 5 минут.А контроллер мог сгореть или прошивка слететь(как я понял прибор коммерческий) и прошивку не найти в свободном доступе.
Пожалуйста Войти или Регистрация, чтобы присоединиться к беседе.
- Rrenovatio
-
Автор темы
- Не в сети
Less
Больше
- Сообщений: 2505
- Спасибо получено: 78
12 янв 2015 21:48 #3
от Rrenovatio
Rrenovatio ответил в теме LCF - метр!
перепаять то делов... 5 минут,
так пока нету такого транзюка!
вот добуду перепаяю...
только вот за ранее хотелось бы знать
досталось ему или нет!
схемотически!
если досталось то смысл в перепайке... :silly:
прошивку точно НЕ НАЙТИ!
главное что бы сам микроконтроллер не лёг.
так пока нету такого транзюка!
вот добуду перепаяю...
только вот за ранее хотелось бы знать
досталось ему или нет!
схемотически!
если досталось то смысл в перепайке... :silly:
прошивку точно НЕ НАЙТИ!
главное что бы сам микроконтроллер не лёг.
Пожалуйста Войти или Регистрация, чтобы присоединиться к беседе.
- Иван
-
- Не в сети
13 янв 2015 05:07 #4
от Иван
Скорей всего контроллер работает, такое похоже на повреждение прошивки, меняйте транзюк может и заработает.
Иван ответил в теме LCF - метр!
но всё остальное кроме замера конденсаторов вроде как функционирует!!!
Скорей всего контроллер работает, такое похоже на повреждение прошивки, меняйте транзюк может и заработает.
Спасибо сказали: Rrenovatio
Пожалуйста Войти или Регистрация, чтобы присоединиться к беседе.
- Стас
-
- Не в сети
Less
Больше
- Сообщений: 394
- Спасибо получено: 29
13 янв 2015 07:34 #5
от Стас
Стас ответил в теме LCF - метр!
BC557 я менял на наш аналог КТ3107Ж, работает нормально. Ещё можно попробовать КТ361, но у него корпус другой.
Спасибо сказали: Rrenovatio
Пожалуйста Войти или Регистрация, чтобы присоединиться к беседе.
Модераторы: Doc