Самодельный предварительный усилитель для Амфитона 50ум 104

  • Vitalikbox
  • Vitalikbox аватар Автор темы
Больше
17 авг 2008 10:57 #1 от Vitalikbox
Помогите схемкой. Мне нужно подавать на вход аудио сигнал из плэера, а на выходе получить усиленый сигнал который потом пойдет на вход УМ. Схем с помощю которых можно регулировать тембр, баланс, громкость - не предлагать.

Пожалуйста Войти или Регистрация, чтобы присоединиться к беседе.

  • mao-sin
  • mao-sin аватар
Больше
17 авг 2008 15:46 #2 от mao-sin
Какой уровень сигнала с плэера и какой нужен на входе усилителя?

Пожалуйста Войти или Регистрация, чтобы присоединиться к беседе.

  • Vitalikbox
  • Vitalikbox аватар Автор темы
Больше
17 авг 2008 20:16 #3 от Vitalikbox
на входе усилителя --- на сколько я понял то 2 В.
а у плєера стандартный.

Пожалуйста Войти или Регистрация, чтобы присоединиться к беседе.

  • Vitalikbox
  • Vitalikbox аватар Автор темы
Больше
17 авг 2008 20:17 #4 от Vitalikbox
на входе усилителя --- на сколько я понял то 2 В.
а у плєера стандартный.

Пожалуйста Войти или Регистрация, чтобы присоединиться к беседе.

  • mao-sin
  • mao-sin аватар
Больше
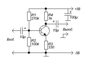
18 авг 2008 08:41 #5 от mao-sin
На коллекторе подбором R1 выставить 2,8 вольт. Но лучше питание поднять до 9 вольт и выставить на коллекторе 5 вольт.
Вложения:

Пожалуйста Войти или Регистрация, чтобы присоединиться к беседе.

Модераторы: Doc
Вся информация, предоставленная на данном ресурсе разрешена к ознакомлению детям школьного возраста. Все практическое использование может быть связана с повышенной электрической опасностью и разрешено детям только под присмотром взрослых.