- Сообщений: 5
- Спасибо получено: 0
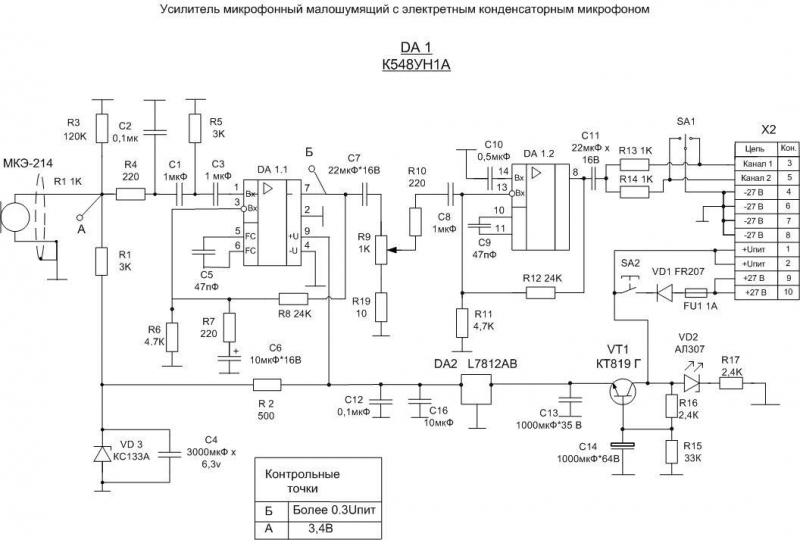
Микрофонный усилитель на К548ун1а
- Саша
-
Автор темы
- Не в сети
Less
Больше
23 мая 2014 09:34 - 23 мая 2014 09:38 #1
от Саша
Саша создал тему: Микрофонный усилитель на К548ун1а
Доброго времени суток Форумчане!
Спаял 1-но канальный (схема в файле) . Всё хорошо, пока питание идёт от аккумулятора, но недавно в сеть 24В (резервное питание - аккумуляторы) , от которой я питал усилок, поставили какое-то хитрое мощное импульсное зарядное устройство и стали его использовать и как блок питания в тч. Ну разным там пускателям и прочему - побарабану, а мой усилок загудел... Нагородил туда уже... ну сами видите - помогает, но частично. Осложняется тем, что усилок вмонтирован в стойку и блок питания отдельно я поставить не могу (нет места), вот и верчусь в пределах маленького корпуса Мож кто сталкивался с подобной проблемой?
Спаял 1-но канальный (схема в файле) . Всё хорошо, пока питание идёт от аккумулятора, но недавно в сеть 24В (резервное питание - аккумуляторы) , от которой я питал усилок, поставили какое-то хитрое мощное импульсное зарядное устройство и стали его использовать и как блок питания в тч. Ну разным там пускателям и прочему - побарабану, а мой усилок загудел... Нагородил туда уже... ну сами видите - помогает, но частично. Осложняется тем, что усилок вмонтирован в стойку и блок питания отдельно я поставить не могу (нет места), вот и верчусь в пределах маленького корпуса Мож кто сталкивался с подобной проблемой?
Вложения:
Последнее редактирование: 23 мая 2014 09:38 пользователем Саша. Причина: перевернул изображение в файле
Пожалуйста Войти или Регистрация, чтобы присоединиться к беседе.
- Doc
-
- Не в сети
23 мая 2014 10:21 #2
от Doc
Малое знание опасно, впрочем, как и большое....
Doc ответил в теме Микрофонный усилитель на К548ун1а
надо городить фильтр по питанию, для начала можно попробовать купить в магазине с запчастями для авто фильтр для магнитолы - он довольно широко полосной и может помочь (порядка 120р).
если не поможет тогда надо осциллографом выявлять частоту которая наводиться по питанию и ваять фильтр конкретно на это частоту.
и все таки не забываем про простые способы - навесить конденсаторов (как электролитов так и слюдяных)
если не поможет тогда надо осциллографом выявлять частоту которая наводиться по питанию и ваять фильтр конкретно на это частоту.
и все таки не забываем про простые способы - навесить конденсаторов (как электролитов так и слюдяных)
Малое знание опасно, впрочем, как и большое....
Пожалуйста Войти или Регистрация, чтобы присоединиться к беседе.
- Саша
-
Автор темы
- Не в сети
Less
Больше
- Сообщений: 5
- Спасибо получено: 0
23 мая 2014 12:43 #3
от Саша
Саша ответил в теме Микрофонный усилитель на К548ун1а
Частота там 50-100Гц (другой просто нету...
А фильтр на VT1 непойдёт? Такое впечатление, что он просто недоконца гасит импульсы.
Фильтр авто можно поставить, но это будет лишний прибомбас - не хотелось бы.
Дополнительная ёмкость после фильтра (где-то на 6600мкФ) помогает , но та же проблема - куда её девать.
Мож дросселя какие есть размером D=20 H=15, на 50мА? А сколько минимум млГн можно поставить?
А фильтр на VT1 непойдёт? Такое впечатление, что он просто недоконца гасит импульсы.
Фильтр авто можно поставить, но это будет лишний прибомбас - не хотелось бы.
Дополнительная ёмкость после фильтра (где-то на 6600мкФ) помогает , но та же проблема - куда её девать.
Мож дросселя какие есть размером D=20 H=15, на 50мА? А сколько минимум млГн можно поставить?
Пожалуйста Войти или Регистрация, чтобы присоединиться к беседе.
- Doc
-
- Не в сети
23 мая 2014 14:56 #4
от Doc
Малое знание опасно, впрочем, как и большое....
Doc ответил в теме Микрофонный усилитель на К548ун1а
если с другой стороны импульсный источник, то частота там точно не 50-100 гц
скорее уж 400гц
скорее уж 400гц
Малое знание опасно, впрочем, как и большое....
Пожалуйста Войти или Регистрация, чтобы присоединиться к беседе.
- Николай Петрович
-
- Не в сети
Less
Больше
- Сообщений: 1116
- Спасибо получено: 46
19 июнь 2014 21:48 #5
от Николай Петрович
Николай Петрович ответил в теме Микрофонный усилитель на К548ун1а
Саша, проблему решил?
Пожалуйста Войти или Регистрация, чтобы присоединиться к беседе.
Модераторы: Doc