Предварительный усь с темброблоком от Fender BXR-3

Больше
27 окт 2012 18:02 - 27 окт 2012 18:04 #1 от Алексей
Доброго времени суток откликнувшимся!
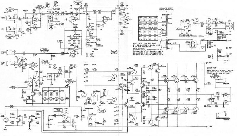
Последний месяц бороздил просторы интернета в поисках проверенной схемы активного темброблока для комбика и встретил вот такую схему - Fender Bassman BXR-300.

Стал разбираться и перерисовывать ее предъусилительную часть в формат пп на спринт лейот и столкнулся с такой штукой, что в схеме 2 регулятора громкости, обвел их красным и синим цветом -

Не знаю как поступить, можно ли выкинуть из данной схемы один из них, или обьеденить их сдвоенным переменным резистором (номиналы у них одинаковые, а маркируются на схеме 100К10А и 100К5С)
Пожалуйста подскажите как лучше сделать.
Последнее редактирование: 27 окт 2012 18:04 пользователем Алексей.

Пожалуйста Войти или Регистрация, чтобы присоединиться к беседе.

Больше
27 окт 2012 20:25 - 27 окт 2012 20:27 #2 от Стас
Ну так правильно, зачем ставить два? Это не удобно, Поставь сдвоенный резюк и всё. Будешь регулировать оба канала одним резистором.
Последнее редактирование: 27 окт 2012 20:27 пользователем Стас.

Пожалуйста Войти или Регистрация, чтобы присоединиться к беседе.

Больше
27 окт 2012 22:11 #3 от Алексей
Тут один моно канал, а 2 входа потому что один лоу а другой хай.
Даже и не знаю как с регулировкой громкости станет если поставить сдвоенный резюк(хотя там усилиние от оу будет)? плавней или слишком грубой станет?

Пожалуйста Войти или Регистрация, чтобы присоединиться к беседе.

Больше
27 окт 2012 23:20 #4 от Alexander Kobets
В некоторой степени это регуляторы громкости, но практически это регуляторы усиления. На внешнюю панель их ставить нет смысла, тут подойдут миниатюрные регуляторы поставленные на плату или рядом, но внутри корпуса. Сдваивать регуляторы не надо.
Спасибо сказали: Алексей

Пожалуйста Войти или Регистрация, чтобы присоединиться к беседе.

Больше
28 окт 2012 11:38 #5 от Алексей
И вправду, совсем забыл что есть схемы включения ОУ с регулируемой выходной мощностью.



Но на схеме они обозначены как "Volume", и на панели управления один регулятор громкости, больше на схеме нет переменников с этим обозначением. Теперь сдается мне что второй регулятор громкости (обведенный синим) и есть оный, а обведенный красным регулятор усиления ОУ.
Может быть кто то еще подкинет какие идеи?
Вложения:

Пожалуйста Войти или Регистрация, чтобы присоединиться к беседе.

Модераторы: Doc
Вся информация, предоставленная на данном ресурсе разрешена к ознакомлению детям школьного возраста. Все практическое использование может быть связана с повышенной электрической опасностью и разрешено детям только под присмотром взрослых.