Резисторы (раньше говорили "сопротивления") ≈ это наиболее многочисленные детали в радиоаппаратуре. Их используют для ограничения тока в цепях, для создания на отдельных участках схем необходимых падений напряжения, для фильтрации напряжения и тока, для регулирования громкости и тембра и еще во многих случаях. Различают два вида резисторов: нерегулируемые (постоянные) и регулируемые (переменные и подстроечные). Особую группу составляют полупроводниковые резисторы:
В старой системе обозначений резисторов первый элемент ≈ буквы ≈ обозначали:
Второй элемент ≈ цифра ≈ указывал вид материала резистивного элемента (с дополнительной конкретизацией): 1...4 ≈ непроволочные, 5 ≈ проволочные резисторы. Третий элемент ≈ цифра ≈ порядковый номер разработки. Например С5-16 ≈ резистор постоянный проволочный, 16-ая разработка. В новой системе обозначений, введенной с 1980 г., первый элемент ≈ буквы ≈ обозначает:
Второй элемент ≈ цифра ≈
указывает вид резистивного элемента: Третий элемент ≈ цифры ≈ обозначает порядковый номер разработки. Например Р1-26 ≈ постоянный непроволочный резистор, 26-ая разработка. Основные характеристики резистора: номинальное сопротивление, отклонение действительного сопротивления от номинального и допустимая мощность рассеяния. Сопротивление резистора на принципиальных схемах обозначается: от 1 до 999 Ом ≈ целыми числами без указания величины;от 1 до 999 кОм ≈ числами с добавлением строчной буквы "к";от 1 и более МОм ≈ числами с добавлением прописной буквы "М". Например 120 ≈ означает 120 ом, Юк ≈ 10 килоом, 1,2 М ≈ 1,2 мегаома и т.д. На самих резисторах маркировка номинального сопротивления имеет различный вид.
Для обозначения отклонения действительного сопротивления резистора от величины, указанной на нем, используется три системы. 1. По классам
точности. Отклонение величины сопротивления +5% обозначается цифрой
" I " (первый класс точности), +10% ≈ цифрой " II " (второй класс),
которые проставляются после величины сопротивления. У резисторов, не
имеющих таких цифр, отклонение составляет +20%. 2. Буквенным кодом. Отклонение величины сопротивления указывается на резисторе после обозначения номинального сопротивления русскими (старая система) или латинскими (новая система) буквами в соответствии с табл.1. Табл.1
Например 4кЗИ ≈ резистор сопротивлением 4,3 килоома с допуском +5%, 11kF ≈ резистор сопротивлением 11 килоом с допуском +1% 3. Цветовым кодом. Для обозначения номинального сопротивления и его допустимого отклонения на резистор наносятся в определенном порядке цветные кольца (пояски) или точки. Номинальное сопротивление выражается в омах двумя или тремя цифрами с множителем 10п, где п ≈ целое число в пределах -2...+9. Маркировочные знаки сдвинуты к одному из торцов резистора и ближайший к торцу знак считается первым. Если длина резистора не позволяет сдвинуть маркировку к одному из торцов, то первый знак (поясок, точка) делается примерно в два раза тире, остальных. Расположение знаков на резисторе показано на рис.3. Цвет маркировочных знаков приведен в табл.2.
Табл.2
Допустимая мощность рассеяния ≈ это та мощность протекающего через резистор тока, которую он может длительное время выдерживать и рассеивать в виде тепла без ущерба для своей работы. По существу, это характеристика электрической прочности резистора. Допустимая мощность постоянных резисторов указывается на схемах внутри условных графических обозначений, как показано на рис.4. Внешний вид наиболее распространенных резисторов типа МЛТ приведен на рис.5.
Регулируемые (или переменные) резисторы (рис.6) имеют изменяющуюся от нуля до номинала величину.
Разновидностью переменных резисторов являются подстроечные. В них изменение сопротивления производится с помощью отвертки при регулировке радиоаппаратуры и в дальнейшем не меняется. Для регулируемых резисторов существует еще один параметр ≈ зависимость сопротивления между начальным выводом и движком от угла поворота (Ос) движка, которая показана на рис.7.
Различаются переменные резисторы
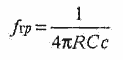
Допустимая мощность переменных резисторов на схеме не обозначается, а в описании обычно указывается их тип. При работе резисторов в электрических цепях переменного тока высокой частоты необходимо учитывать наличие у них собственных емкости (Сс) и индуктивности (Lc), вызывающих паразитные резонансы. Граничная частота (fгp), до которой может работать непроволочный резистор, зависит в основном от сопротивления R и величины Сс, поскольку Lc у таких резисторов весьма мала.
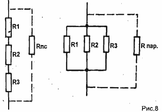
Собственные емкости большинства непроволочных резисторов широкого применения (ВС, МЛТ, С2-6, С2-13 и т.д.) составляют 0,1...1 пФ. У проволочных резисторовСс и Lc значительно больше, поэтому их frp на два-три порядка ниже. Если при конструировании устройства отсутствует резистор с необходимым сопротивлением, но есть резисторы других номиналов, то соединяя их последовательно или параллельно (рис.8), можно получить требуемое сопротивление.
При последовательном соединении резисторов их общее сопротивление (Rnc) увеличивается и определяется по формуле:
При параллельном соединении резисторов их общее сопротивление (Rnap) уменьшается и всегда меньше сопротивления каждого отдельно взятого резистора и определяется по формуле:
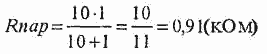
Для двух соединяемых параллельно резисторов формула (2) приобретает вид:
Например для резисторов 1 кОм и 10 кОм: Rпс=10+1=11(кОм);
| |||||||||||||||||||||||||||||||||||||||||||||||||||||||||||||||||||||||||||||||||||||||||||||||||||||||||||||||
Что такое резистор
Doc
Просмотров: 30128











