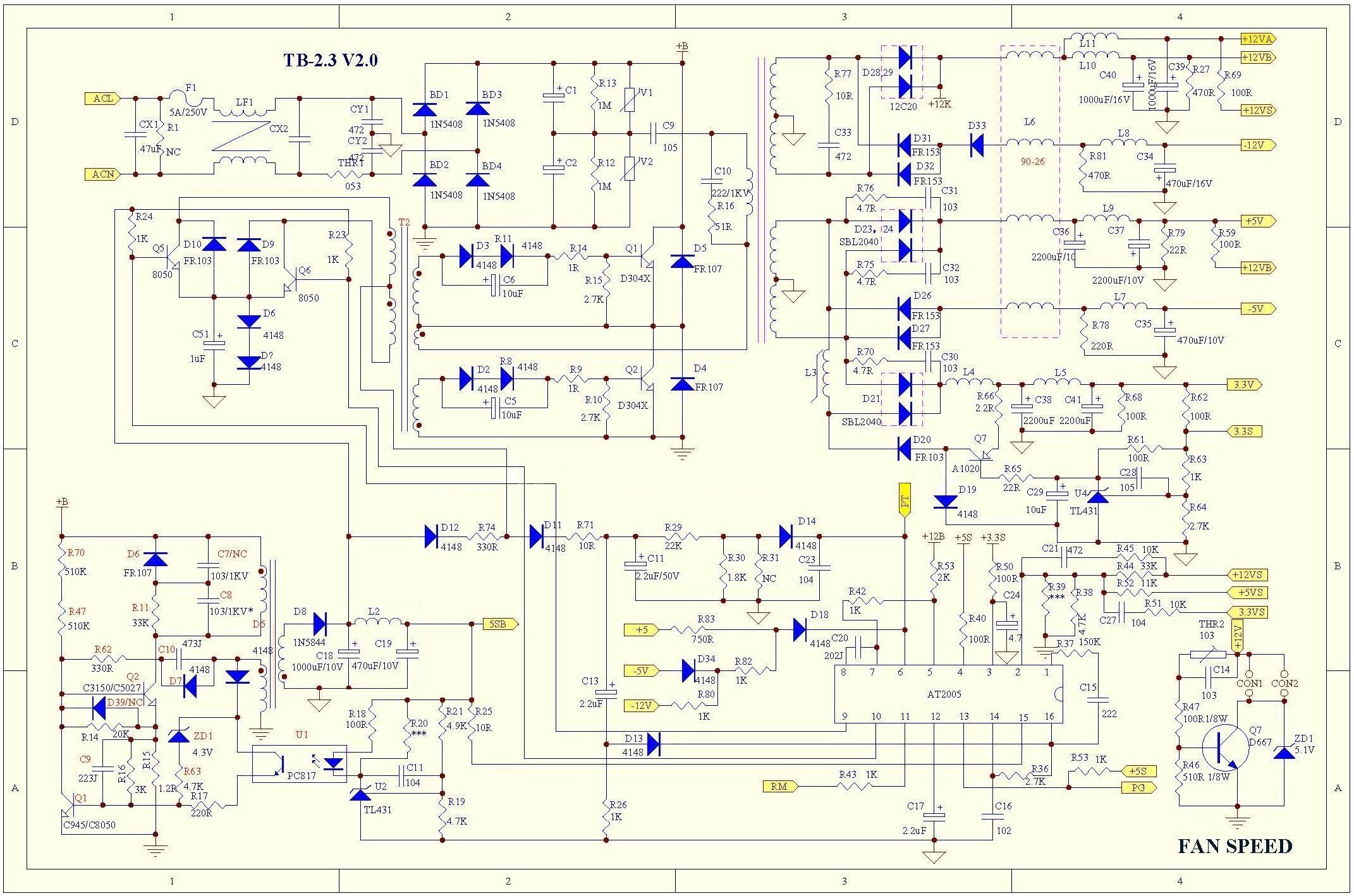
ATX GEMBIRD 350W (ShenZhon 350W)

gembird350w

gembird350w

Вся информация, предоставленная на данном ресурсе разрешена к ознакомлению детям школьного возраста. Все практическое использование может быть связана с повышенной электрической опасностью и разрешено детям только под присмотром взрослых.