Одновибраторы (ждущие мультивибраторы)

 

При работе с цифровыми устройствами достаточно часто требуется формировать импульсы определённой длительности. Эту задачу выполняют специальные устройства — формирователи импульсов. Простейшие формирователи импульсов могут быть реализованы на логических элементах.

Укорачивающие одновибраторы

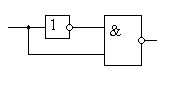
Рассмотрим схему, приведённую на рисунке 1.

Схема укорачивающего одновибратора (ждущего мультивибратора)
Рисунок 1. Схема укорачивающего одновибратора (ждущего мультивибратора)

Если бы логические элементы не обладали задержкой, то на выходе такой схемы постоянно присутствовал единичный логический уровень. Однако это не так. Сигнал на выходе инвертора задержан по отношению к его входу. Временные диаграммы сигналов на входе и выходе инвертора, а также на выходе схемы логического элемента "И" приведены на рисунке 2.

Временные диаграммы укорачивающего одновибратора
Рисунок 2. Временные диаграммы укорачивающего одновибратора

Как видно из этих временных диаграмм, одновибратор, схема которого приведена на рисунке 1, вырабатывает одиночный импульс по переднему фронту входного сигнала. Длительность импульса на выходе такой схемы будет равна времени задержки инвертора.

Если требуется длительность выходного импульса, большая времени задержки одиночного инвертора, то можно применить дополнительные элементы задержки на пассивных RC элементах. Пример подобной схемы одновибратора приведён на рисунке 3, а временные диаграммы этой схемы — на рисунке 4.

Схема укорачивающего мультивибратора с использованием RC элементов задержки
Рисунок 3. Схема укорачивающего одновибратора с использованием RC элементов задержки

Длительность выработанного формирователем импульса можно вычислить исходя из условия разряда конденсатора С. Действительно, пока конденсатор С разряжается до уровня порогового напряжения U, напряжение U2 воспринимается логическим элементом "2И-НЕ" как уровень логической единицы и на его выходе поддерживается уровень логического нуля. С течением времени напряжение на конденсаторе C становится равным Uпор и на выходе логического элемента "2И-НЕ" появится уровень логической единицы. Если считать, что напряжение до начала разряда на конденсаторе было равно напряжению уровня уровень логической единицы U1, то изменение напряжения UC с течением времени можно представить как:

OdnVib5,

следовательно

OdnVib6.

Длительность импульса равна времени разряда конденсатора до порогового значения Uпор

OdnVib7
OdnVib4

Рисунок 4. Временные диаграммы укорачивающего одновибратора с использованием RC элементов задержки.

Расширяющие одновибраторы (ждущие мультивибраторы)

В расширяющих одновибраторах (ждущих мультивибраторах) длительность входного (запускающего) импульса должна быть короче длительности формируемого импульса.

Схема расширяющего одновибратора приведена на рисунке 5. Он выполнен на двух логических элементах. Схема охвачена положительной обратной связью, так как выход второго элемента соединен с входом первого.

OdnVib8
Рисунок 5. Схема расширяющего одновибратора (ждущего мультивибратора)

В исходном состоянии на выходе элемента D2 имеется уровень логической единицы, а на выходе элемента D1 — уровень логического нуля, так как на обоих его входах присутствуют логические единицы. При поступлении на вход запускающего импульса с нулевым потенциалом, на выходе первого логического элемента появится уровень логической единицы, который через конденсатор С поступит на вход второго логического элемента. Логический элемент D2 инвертирует этот сигнал и уровень "0" по цепи обратной связи подается на второй вход логического элемента D1. Теперь даже если на входе снова появится уровень логической единицы, на выходе логического элемента D1 будет сохраняться высокое напряжение.

На выходе элемента D2 уровень логического нуля будет присутствовать до тех пор, пока конденсатор C не зарядится до уровня Uc = U1 – Uпор, а напряжение на резисторе R не достигнет порогового уровня Uпор (рисунок 4).

Длительность выходного импульса одновибратора может быть определена с помощью выражения

OdnVib9

где Rвых — выходное сопротивление первого элемента.
       Uпор — пороговое напряжение логического элемента.

 

Вся информация, предоставленная на данном ресурсе разрешена к ознакомлению детям школьного возраста. Все практическое использование может быть связана с повышенной электрической опасностью и разрешено детям только под присмотром взрослых.