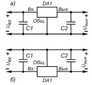
Один из важных узлов радиоэлектронной аппаратуры - стабилизатор напряжения в блоке питания. Еще совсем недавно такие узлы строили на стабилитронах и транзисторах. Общее число элементов стабилизатора было довольно значительным, особенно если от него требовались функции регулирования выходного напряжения, защиты от перегрузки и замыкания выхода, ограничения выходного тока на заданном уровне. С появлением специализированных микросхем ситуация изменилась. Выпускаемые микросхемные стабилизаторы напряжения способны работать в широких пределах выходных напряжения и тока, часто имеют встроенную систему защиты от перегрузки по току и от перегревания - как только температура кристалла микросхемы превысит допустимое значение, происходит ограничение выходного тока. В настоящее время ассортимент отечественных и зарубежных микросхем-стабилизаторов напряжения настолько широк, что ориентироваться в нем стало уже довольно трудно. Помещенные ниже таблицы призваны облегчить предварительный выбор микросхемного стабилизатора для того или иного электронного устройства. В табл. 1 представлен перечень наиболее распространенных на отечественном рынке трехвыводных микросхем линейных стабилизаторов напряжения на фиксированное выходное напряжение и их основные параметры; на рис. 1 упрощенно показан внешний вид приборов, а также показана их цоколевка. В таблицу включены лишь стабилизаторы с выходным напряжением в пределах 5...27 В - в этот интервал укладывается подавляющее большинство случаев радиолюбительской практики. Конструктивное оформление зарубежных приборов может отличаться от показанного на рис. 1. Следует иметь в виду, что сведения о рассеиваемой мощности при работе микросхемы с теплоотводом в паспортах приборов обычно не указывают, поэтому в таблицах даны некоторые усредненные ее значения, полученные из графиков, имеющихся в документации. Отметим также, что микросхемы одной серии, но на разные напряжения, по рассеиваемой мощности могут различаться. Ряд микросхем, изготовляемых в дальнем и ближнем зарубежье, имеют маркировку, не соответствующую российской стандартизированной системе. Так, перед обозначением стабилизаторов групп 78, 79, 78L, 79L, 78M, 79M, перечисленных в таблице, в действительности могут присутствовать одна или две буквы, кодирующие, как правило, фирму-изготовитель. Позади указанных в таблице обозначений также могут быть буквы и цифры, указывающие на те или иные конструктивные или эксплуатационные особенности микросхемы. Более подробная информация о некоторых сериях отечественнох микросхемных стабилизаторах помещена в [1-5], а по зарубежным - в [6;7]. Таблица 1
* Была выпущена опытная партия с цоколевкой,
соответствующей рис. 1,а. | ||||||||||||||||||||||||||||||||||||||||||||||||||||||||||||||||||||||||||||||||||||||||||||||||||||||||||||||||||||||||||||||||||||||||||||||||||||||||||||||||||||||||||||||||||||||||||||||||||||||||||||||||||||||||||||||||||||||||||||||||||||||||||||||||||||||||||||||||||||||||||||||||||||||||||||||||||||||||
Некоторые типы отечественных
Типовая схема включения
| ||||||||||||||||||||||||||||||||||||||||||||||||||||||||||||||||||||||||||||||||||||||||||||||||||||||||||||||||||||||||||||||||||||||||||||||||||||||||||||||||||||||||||||||||||||||||||||||||||||||||||||||||||||||||||||||||||||||||||||||||||||||||||||||||||||||||||||||||||||||||||||||||||||||||||||||||||||||||
![]() | ||||||||||||||||||||||||||||||||||||||||||||||||||||||||||||||||||||||||||||||||||||||||||||||||||||||||||||||||||||||||||||||||||||||||||||||||||||||||||||||||||||||||||||||||||||||||||||||||||||||||||||||||||||||||||||||||||||||||||||||||||||||||||||||||||||||||||||||||||||||||||||||||||||||||||||||||||||||||
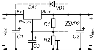
Если требуется нестандартное значение стабилизированного выходного напряжения или плавное его регулирование, удобно использовать специализированные регулируемые микросхемные стабилизаторы, поддерживающие напряжение 1,25 В между выходом и управляющим выводом. Их перечень представлен в табл. 2, а типовая схема включения для стабилизаторов с регулирующим элементом в плюсовом проводе - на рис. 3. Резисторы R1 и R2 образуют внешний регулируемый делитель напряжения, который входит в цепь установки уровня выходного напряжения Uвых, равного Uвых=1,25(1+R2/R1)+Iпот*R2, где Iпот=50...100 мкА - собственный потребляемый ток микросхемы. Число 1,25 в этой формуле - это упомянутое выше напряжение между выходом и управляющим выводом, которое поддерживает стабилизатор в рабочем режиме. Таблица 2
Обратим внимание на то, что, в отличие от стабилизаторов на фиксированное выходное напряжение, регулируемые без нагрузки не работают. Минимальное значение выходного тока маломощных регулируемых стабилизаторов равно 2,5...5 мА и 5...10мА - мощных. В большинстве случаев применения нагрузкой служит резистивный делитель напряжения R1 R2 на рис. 3. | ||||||||||||||||||||||||||||||||||||||||||||||||||||||||||||||||||||||||||||||||||||||||||||||||||||||||||||||||||||||||||||||||||||||||||||||||||||||||||||||||||||||||||||||||||||||||||||||||||||||||||||||||||||||||||||||||||||||||||||||||||||||||||||||||||||||||||||||||||||||||||||||||||||||||||||||||||||||||
![]() | ||||||||||||||||||||||||||||||||||||||||||||||||||||||||||||||||||||||||||||||||||||||||||||||||||||||||||||||||||||||||||||||||||||||||||||||||||||||||||||||||||||||||||||||||||||||||||||||||||||||||||||||||||||||||||||||||||||||||||||||||||||||||||||||||||||||||||||||||||||||||||||||||||||||||||||||||||||||||
По этой схеме можно включать и стабилизаторыс фиксированным выходным напряжением. Однако, во-первых, потребляемый ими ток значительно больше (2...4 мА) и, во-вторых, он менее стабилен при изменении выходного тока и входного напряжения. По этим причинам максимально возможного коэффициента стабилизации устройства достичь не удастся. Для снижения уровня пульсаций на выходе, особенно при большем выходном напряжении, рекомендуется включать сглаживающий конденсатор C3 емкостью 10 мкФ и более. К конденсаторам C1 и C2 требования такие же, как и к соответствующим конденсаторам фиксированных стабилизаторов. Если стабилизатор работает при максимальном выходном напряжении, то при случайном замыкании входной цепи или отключении источника питания микросхема оказывается под большим обратным напряжением со стороны нагрузки и может быть выведена из строя. Для защиты микросхемы по выходу в таких ситуациях параллельно ей включают защитный диод VD1. Другой защитный диод - VD2 - защищает микросхему со стороны заряженного конденсатора C3. Диод быстро разряжает этот конденсатор при аварийном замыкании выходной или входной цепи стабилизатора. Все сказанное служит только для предварительного выбора стабилизатора, перед проектированием блока питания следует ознакомиться м полными справочными характеристиками, хотя бы для того, чтобы точно знать, каково максимально допустимое входное напряжение, достаточна ли стабильность выходного напряжения при изменении входного напряжения, тока нагрузки или температуры. Можно выразить уверенность, что перечисленные в статье микросхемы находятся на техническом уровне, достаточном для решения подавляющего числа задач радиолюбительской практики. Заметный недостаток у описанных стабилизаторов один - довольно большое минимально необходимое напряжение между входом и выходом - 2...3 В, однако он с лихвой окупается простотой применения и низкой ценой микросхем. С. Бирюков. Литература
|
Микросхемные стабилизаторы напряжения широкого применения (КРЕН и аналоги)
Doc
Просмотров: 37966

