Усилитель мощности К174УН9 (ТУ 1989г.)

        Микросхема представляет собой усилитель мощности звуковой частоты. Содержит 86 интегральных элементов. Конструктивно оформлена в корпусе типа 238.12-2. Масса не более 1,5 гр.

 

   

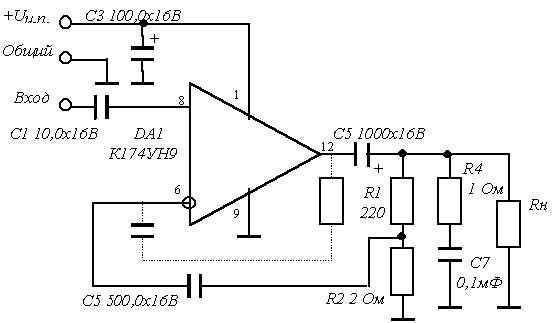
Назначение выводов:

1 - питание +Uи.п.;
6 - обратная связь;
8 - вход;
9 - общий -Uи.п..
12 - выход;

Корпус ИМС К174УН9 (238.12-1)

 

 

Типовая схема включения ИМС К174УН9

 

Электрические параметры

  1     Номинальное напряжение питания   15 В ± 10%
  2     Выходное напряжение при Uп = 15 В, Uвх = 47 мВ, fвх = 1 кГц     3,6…4,6 В
  3     Чувствительность при Uп = 15 В, Uвых = 47 мВ, fвх = 1 кГц   20…50 мВ
  3  
 
  Приведенное ко входу напряжение шумов при Uп = 15 В,
  Uвх = 10 мВ, fвх = 1 кГц
 
 Ј 5,0 мкВ
  4     Ток потребления при Uп = 15 В   Ј 60 мА
  5  
 
  Коэффициент усиления при Uп = 15 В, Uвых = 10 мВ,
  fвх = 1 кГц, Rн = 4 Ом
 
  і 40 дБ
  6  
 
 
 
  Коэффициент гармоник при fвх = 1 кГц :
  Uвых = 0,05 В, Uп = 13,5 В, Рвых = 0,05 Вт
  Uвых = 3,16 В, Uп = 13,5 В, Рвых = 2,5 Вт
  Uвых = 4,7 В, Uп = 15 В, Рвых = 5,5 Вт
 
  Ј 0,5 %
  Ј 0,5 %
  Ј 10 %
  7  
 
 
  Коэффициент ослабления при Uп = 15 В, Uвых = 10 мВ,:
  на нижней частоте 40 Гц
  на верхней частоте 15 кГц
 
  і -3 дБ
  і -3 дБ
  8     Входное сопротивление при Uп = 9 В, fвх = 1 кГц   і 70 кОм
  9     Диапазон рабочих частот   40…20 000 Гц

 

Предельно допустимые режимы эксплуатации

  1     Напряжение питания   8,0…18 В
  2     Входное напряжение   Ј 50 мВ
  3     Выходная мощность   Ј 5,5 Вт
  4     Сопротивление нагрузки   і 3 Ом
  5  
 
 
  Тепловое сопротивление:
  кристалл-корпус
  кристалл-среда
 
  20°С/Вт
  100°С/Вт
  6     Температура кристалла   + 90 °С
  7     Температура окружающей среды         - 45…+ 85°С  

 

Общие рекомендации по применению

        Допускается использовать микросхемы только в типовой схеме включения. При проведении монтажных операций допускается не более трех перепаек выводов микросхемы.

        Допускается кратковременное повышение напряжения питания до 40 В и входного напряжения до 1,5 В в течении не более 50 мс с периодичностью не менее 5 с.

        Корректирующая цепочка RC вводится при необходимости для устранения возбуждения (С = 39 пФ ± 10 %, R = 43 Ом ± 5 %).

        Для уменьшения коэффициента усиления допускается изменение сопротивления резисторов R1 и R2. Допускается применять конденсаторы емкостью: С1 = 1…10 мкФ, С2 = 100…500 мкФ, С5 = 1000…2200 мкФ, не приводящих к изменению электрических параметров.

        Допустимое значение статического потенциала 500 В.

 

Литература

Микросхемы для бытовой радиоаппаратуры: Справочник /И. В. Новачек, В. М. Петухов, И. П. Блудов, А. В. Юровский. - Москва: КУБК-а, 1995г. - 384с.:ил.

Интегральные микросхемы и их зарубежные аналоги: Справочник. Том 2./А. В. Нефедов. - М.:КУБК-а, 1996г. - 640с.:ил.

Аналоговые интегральные микросхемы: Справочник /А .Л. Булычев, В. И. Галкин, В. А. Прохоренко. - 2-е издание, переработанное и дополненное - Минск: Беларусь, 1993г. - 382с.

Вся информация, предоставленная на данном ресурсе разрешена к ознакомлению детям школьного возраста. Все практическое использование может быть связана с повышенной электрической опасностью и разрешено детям только под присмотром взрослых.