|
Микросхема представляет собой усилитель мощности звуковой частоты с номинальной выходной мощность 4,5 Вт на нагрузку 4 Ом. Аналог микросхемы TBA810AS и LA4420 (функциональный аналог). Микросхема предназначена для применения в телевизионной аппаратуре. Содержит 41 интегральный элемент. Конструктивно оформлена в корпусе типа 201.12.-1, 238.12-2. Масса не более 2,0 и 2,5гр соответственно (ТУ 1986г.).
тип 201.12-1 тип 238.12-2 Корпус ИМС К174УН7
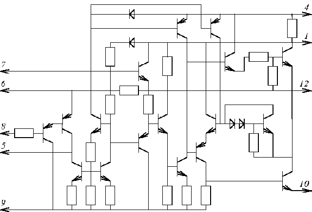
Назначение выводов: 1 - питание +Uи.п.; Принципиальная схема ИМС К174УН7.
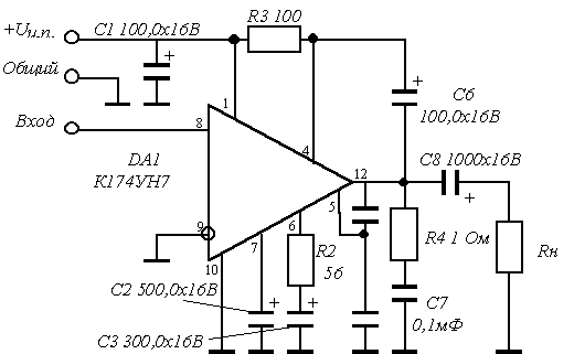
Типовая схема включения ИМС К174УН7. Электрические параметры
Предельно допустимые режимы эксплуатации
Общие рекомендации по применению Не допускается эксплуатация микросхемы без дополнительного теплоотвода при мощности в нагрузке более 0,27 Вт. При температуре корпуса выше 60°С максимальная рассеиваемая мощность рассчитывается по формуле Допускается кратковременное (в течении 3 мин) увеличение напряжения питания до 18 В. Подача постоянного напряжения от внешнего источника на выводы 5, 6 и 12 микросхемы недопустима. Выходное сопротивление источника питания должно быть не более 0,05 Ом.
Литература Микросхемы для бытовой радиоаппаратуры: Справочник /И. В. Новачек, В. М. Петухов, И. П. Блудов, А. В. Юровский. - Москва: КУБК-а, 1995г. - 384с.:ил. Интегральные микросхемы и их зарубежные аналоги: Справочник. Том 2./А. В. Нефедов. - М.:КУБК-а, 1996г. - 640с.:ил. Аналоговые интегральные микросхемы: Справочник /А .Л. Булычев, В. И. Галкин, В. А. Прохоренко. - 2-е издание, переработанное и дополненное - Минск: Беларусь, 1993г. - 382с. |
Усилитель мощности К174УН7, ТBА810AS, LA4420
Doc
Просмотров: 12181

